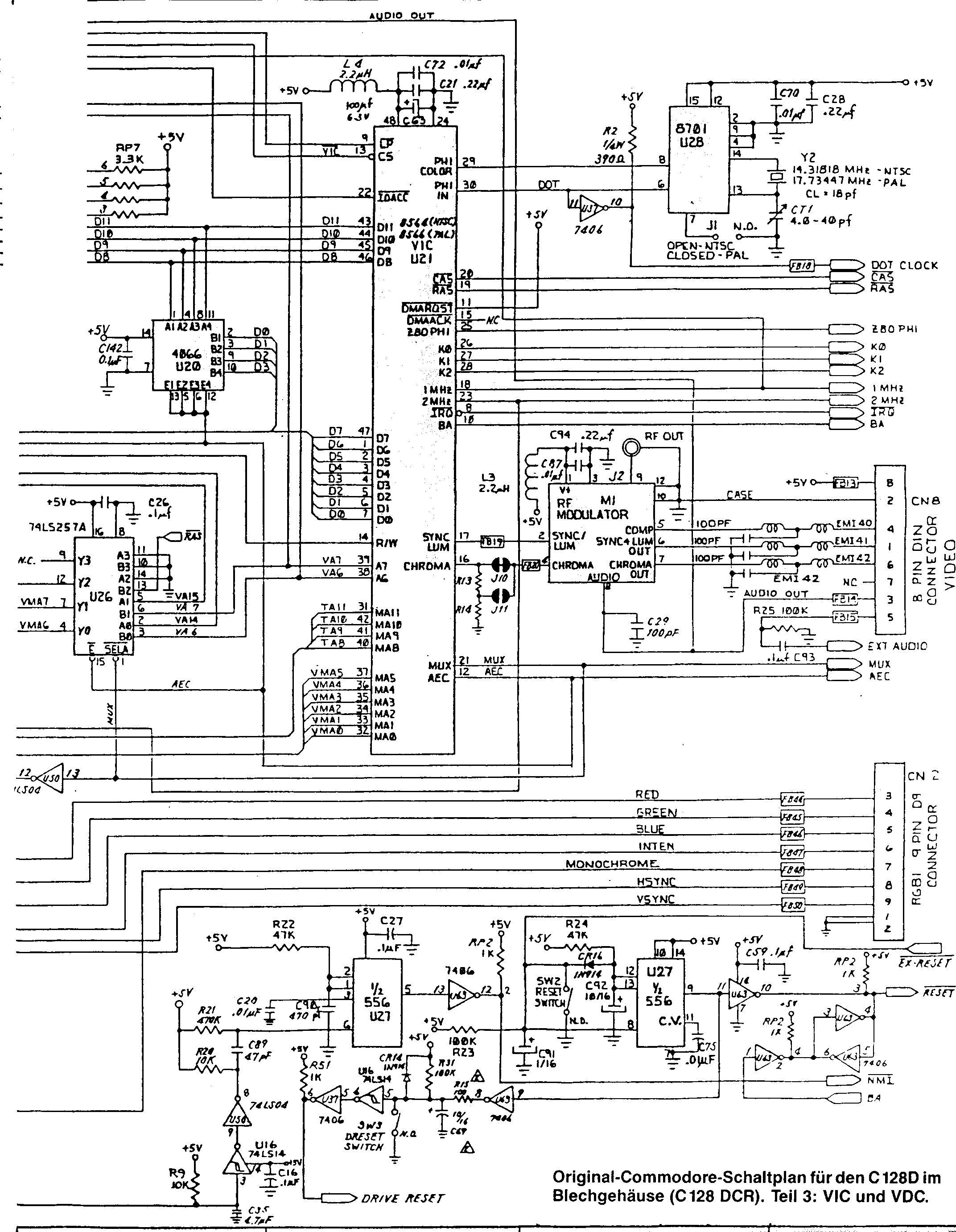
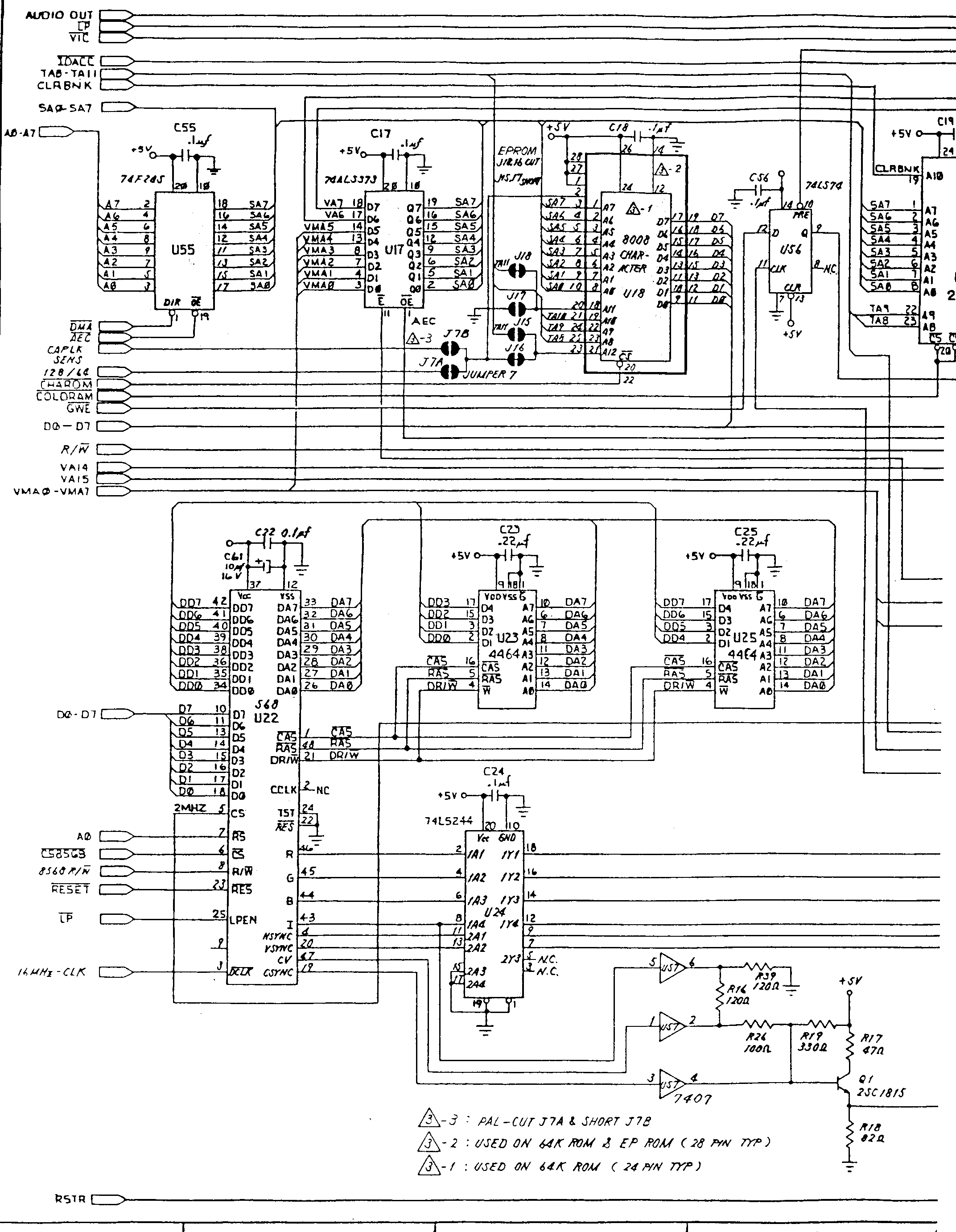
The Commodore 128 existed in three different major board versions: The first board was used in the flat 128 and in the plastic-cased 128D. Then came the 128DCR board, with the floppy controller integrated on the motherboard. There was also a 128CR (cost-reduced flat 128).

Files
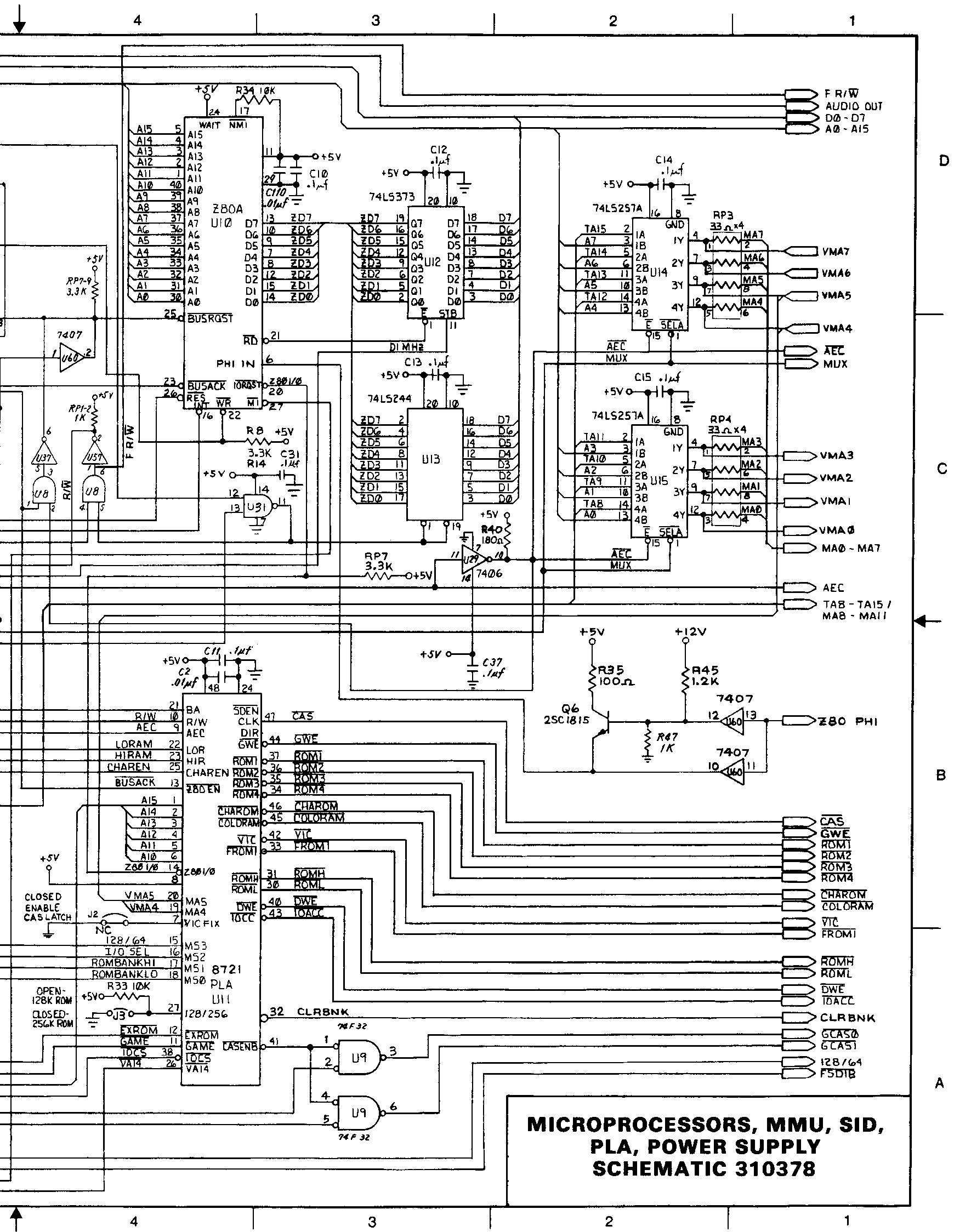
310378-1-left.gif 1996-11-27 118674
 
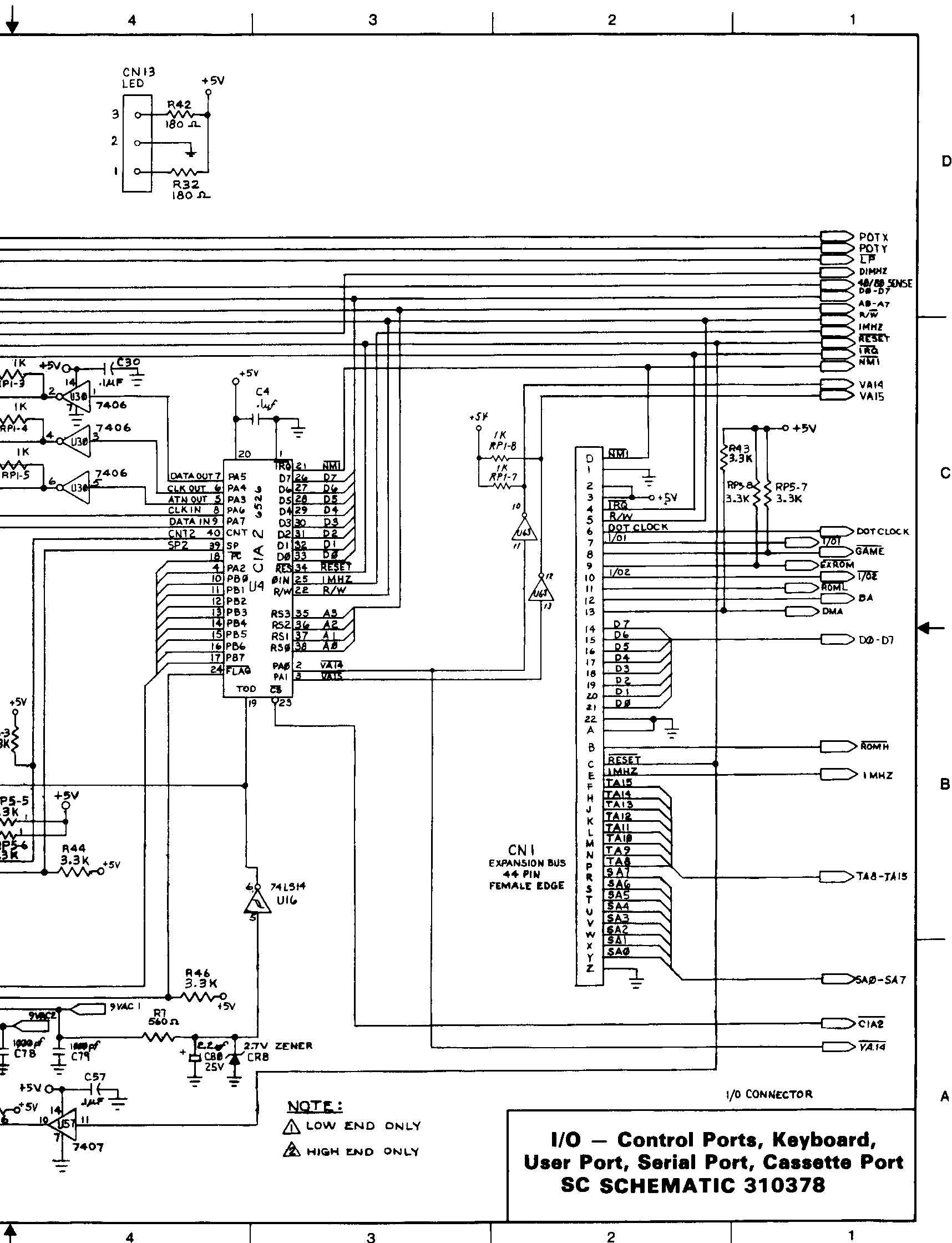
310378-1-right.gif 1996-11-27 113712
 
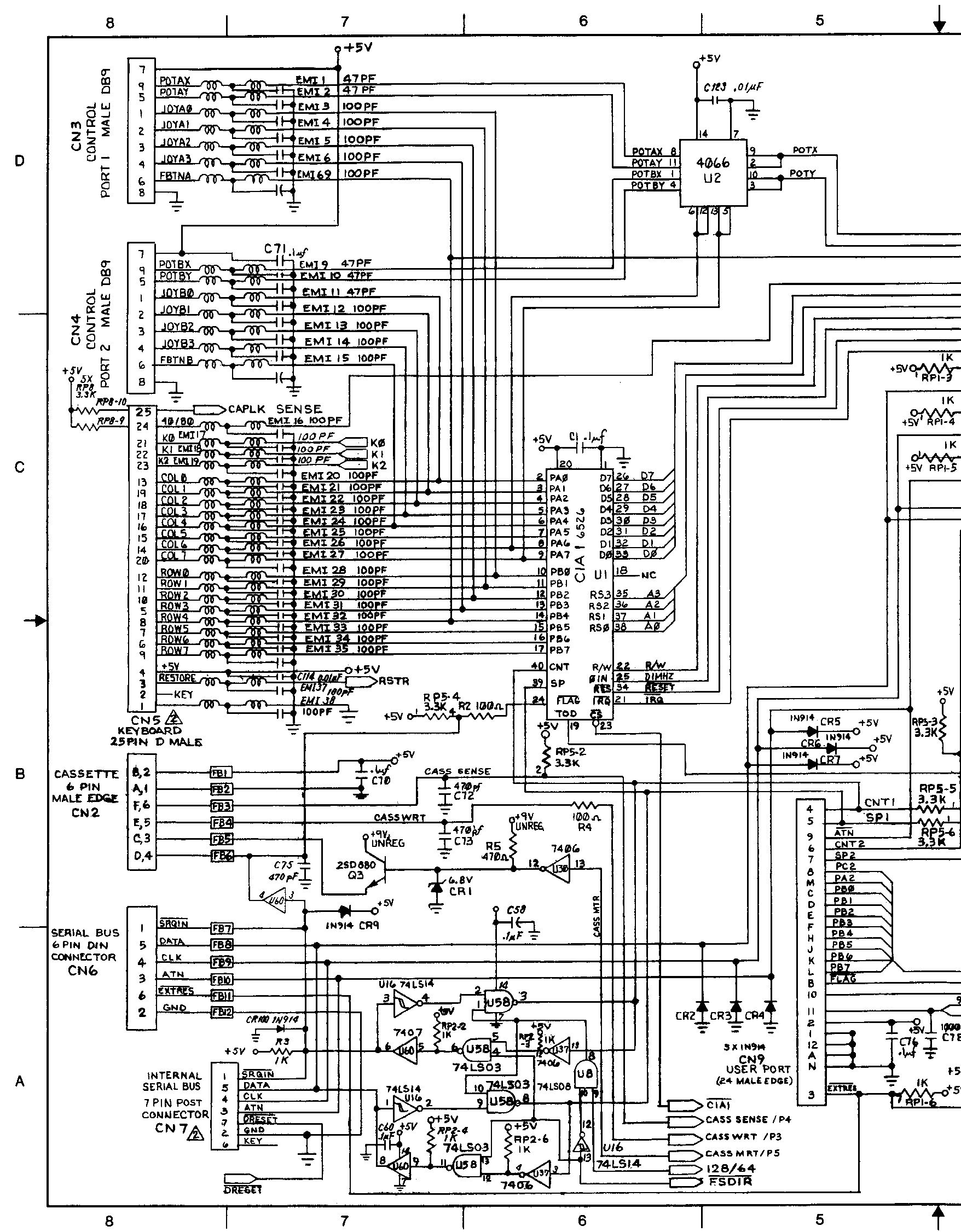
310378-2-left.gif 1996-11-27 99301
 
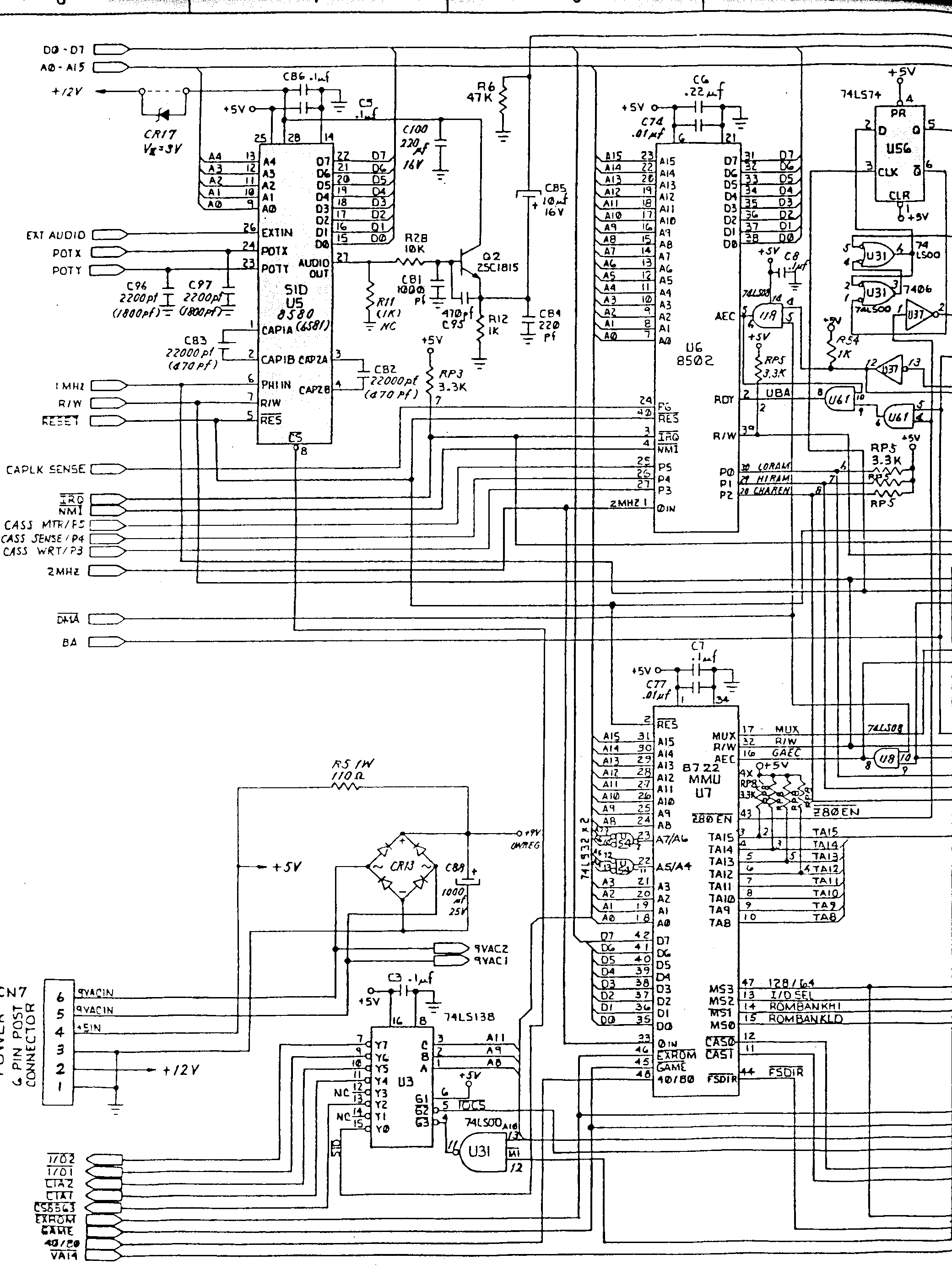
310378-2-right.gif 1996-11-27 107805
 
310378-3-left.gif 1996-11-27 130766
 
310378-3-right.gif 1996-11-27 77337
 
310378-4-left.gif 1996-11-27 99507
 
310378-4-right.gif 1996-11-27 90149
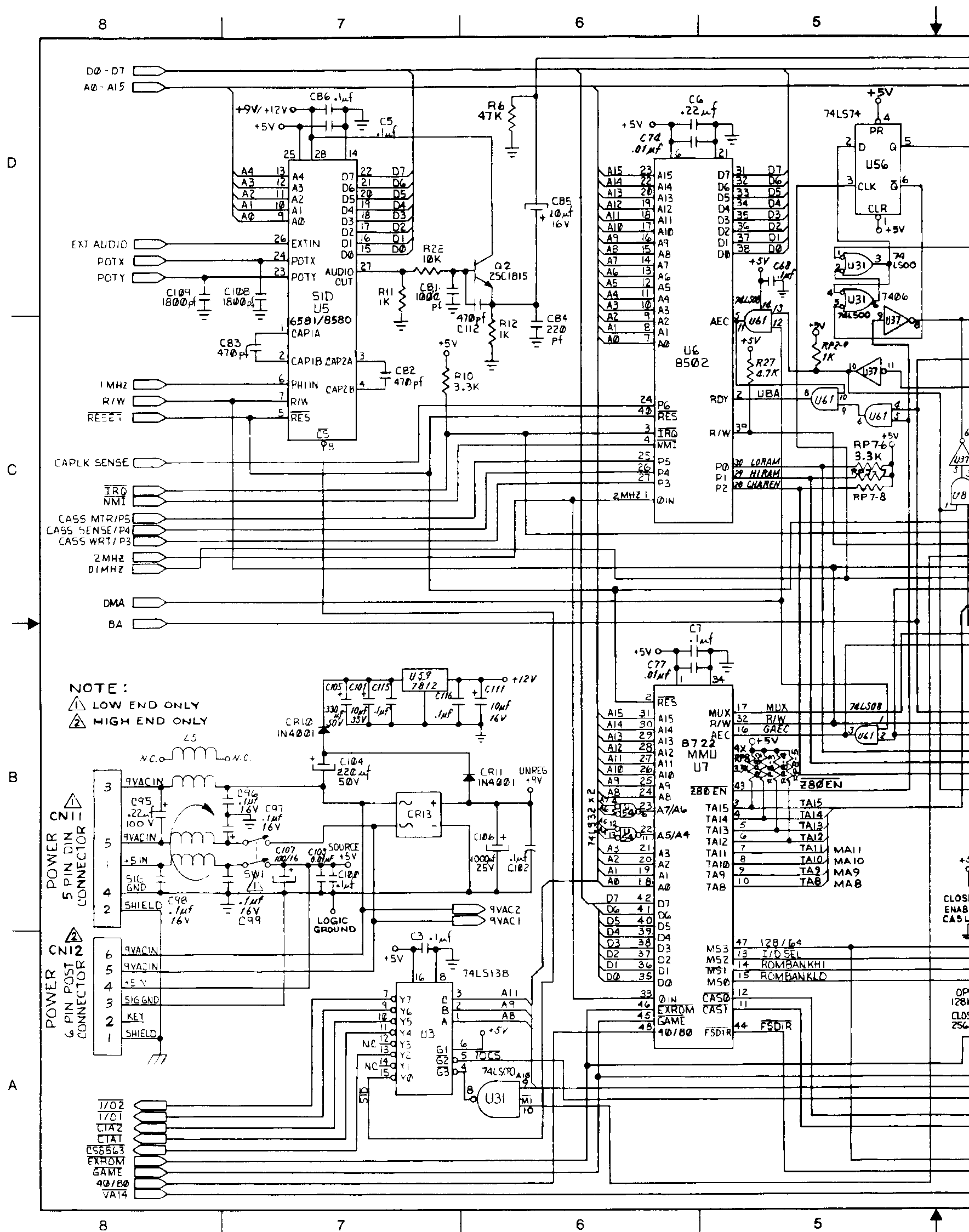
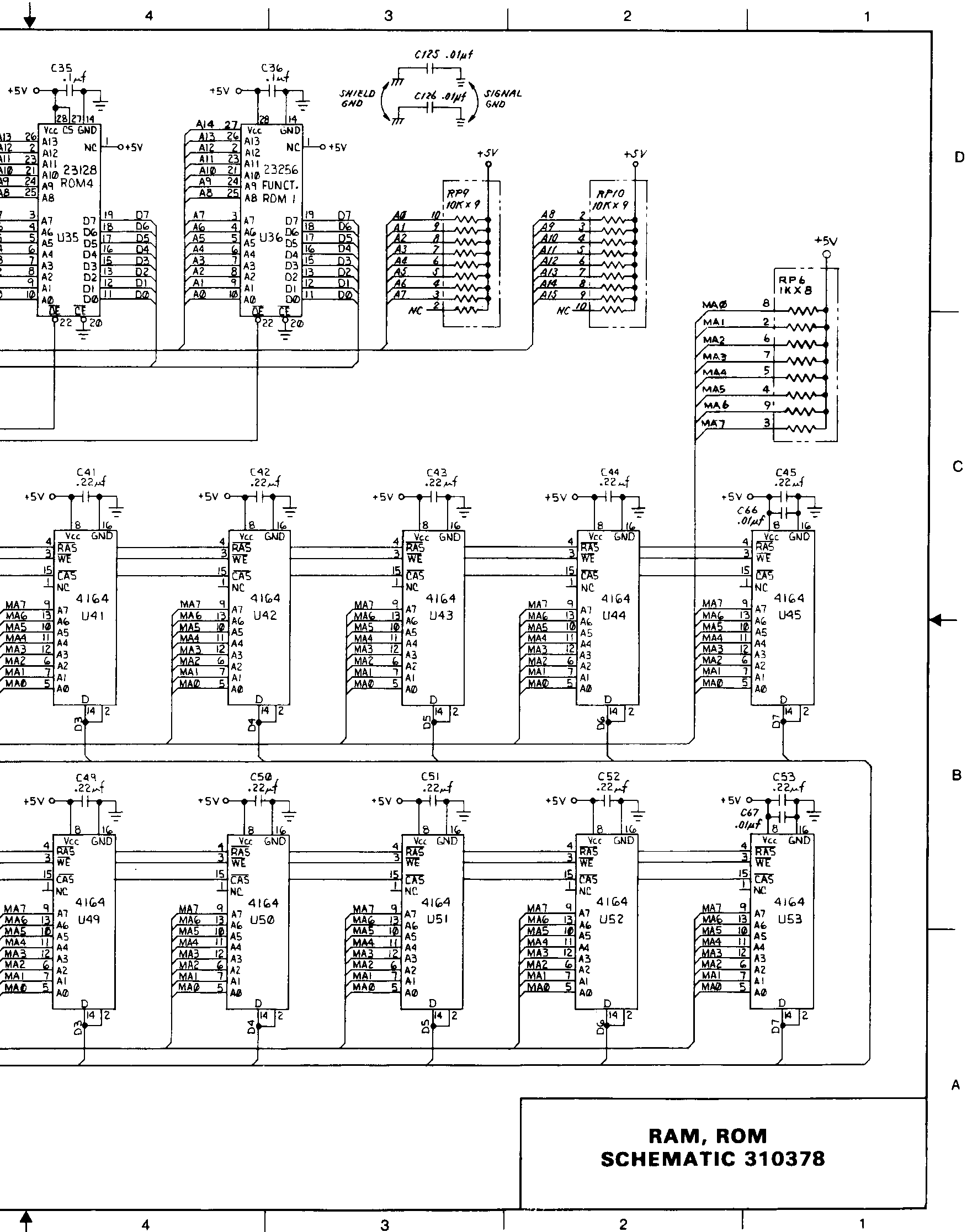
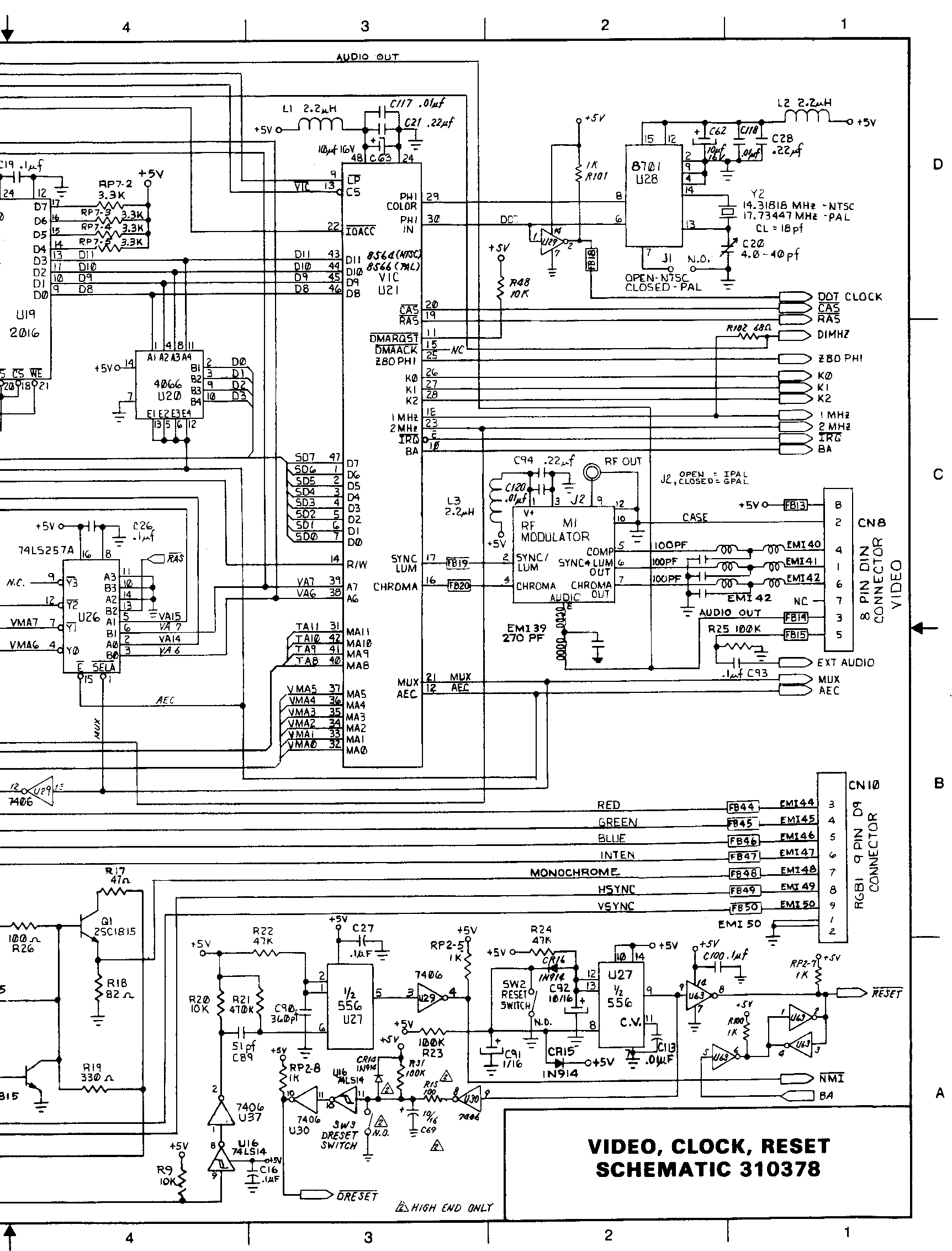
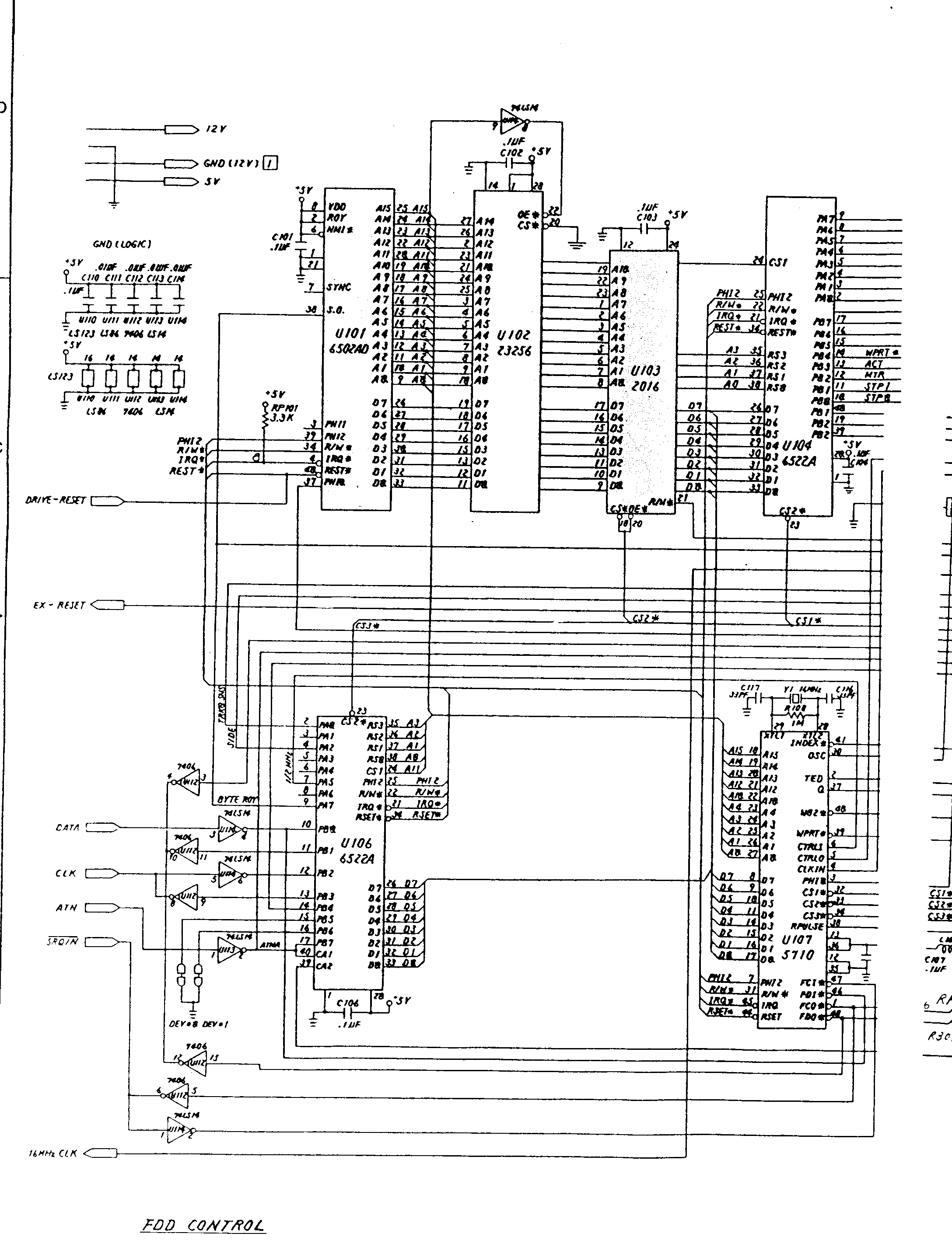
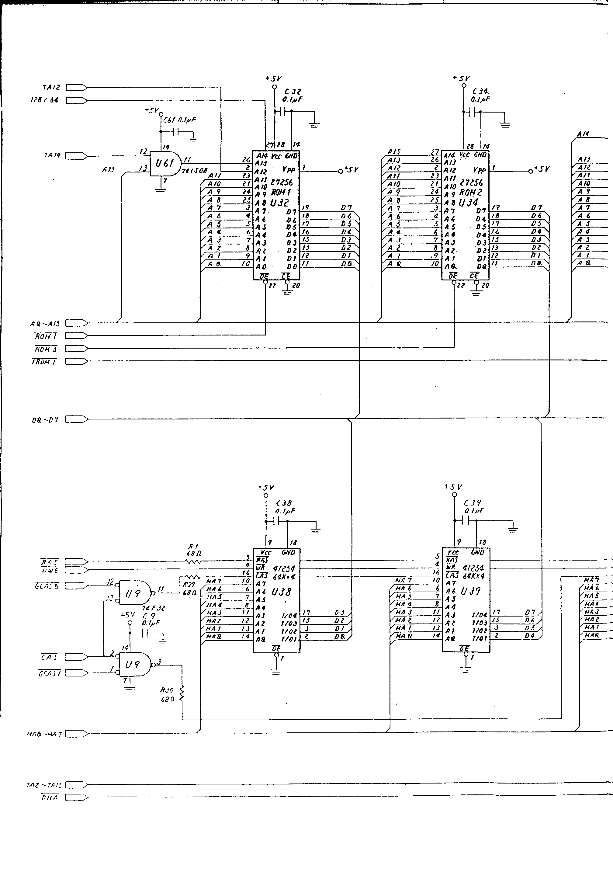
These are the schematic diagrams of the Commodore 128 main board ("flat C128" and C128D in plastic case). They were on eight pages in the Commodore 128 Programmer's Reference Guide, two pages containing one engineering sheet.
310378-update.zip 1998-05-15 747229
Update to the Commodore 128 Service Manual, containing the two revised pages in the 310378 schematic revision 7A.
c128cr.jpg 2000-02-23 1115174
A black&white picture of a cost-reduced flat Commodore 128 circuit board. This model never entered mass production; this is an engineering sample possessed by Raymond Carlsen. The board says "PCB ASSY NO. 250783", "C= commodore C128CR REV.3", "PCB NO. 252270", and "C128CR No.2 ENG. SAMPLE Jun/9/'86 KNT".
c128dcr-1-left.gif 1996-12-13 172416
 
c128dcr-1-right.gif 1996-12-13 90870
 
c128dcr-2-left.gif 1996-12-13 143437
 
c128dcr-2-right.gif 1996-12-13 148206
 
c128dcr-3-left.gif 1996-12-13 128384
 
c128dcr-3-right.gif 1996-12-13 134398
 
c128dcr-4-left.gif 1996-12-13 77902
 
c128dcr-4-right.gif 1996-12-13 58823
 
c128dcr-5-left.gif 1996-12-13 126315
 
c128dcr-5-right.gif 1996-12-13 144315
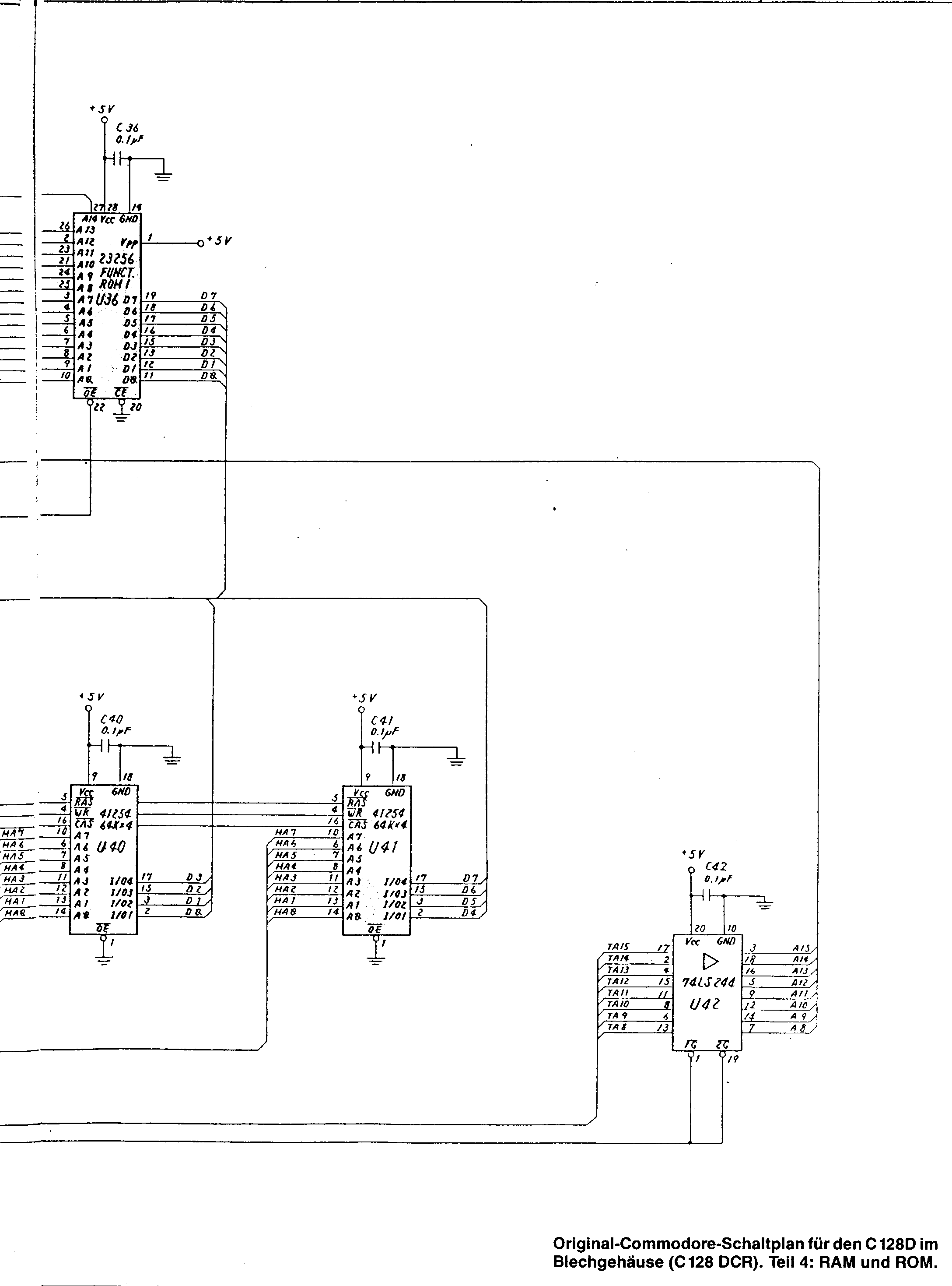
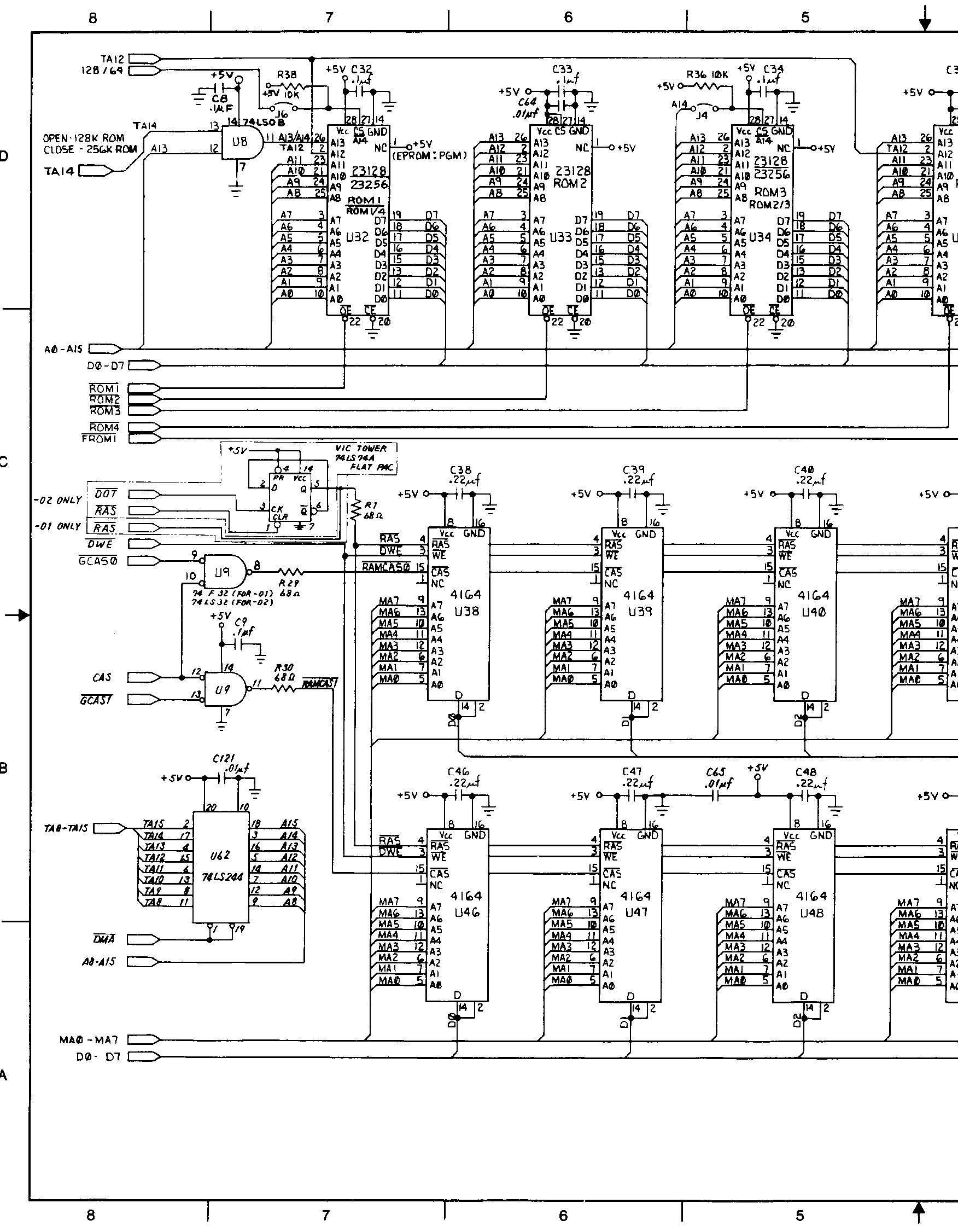
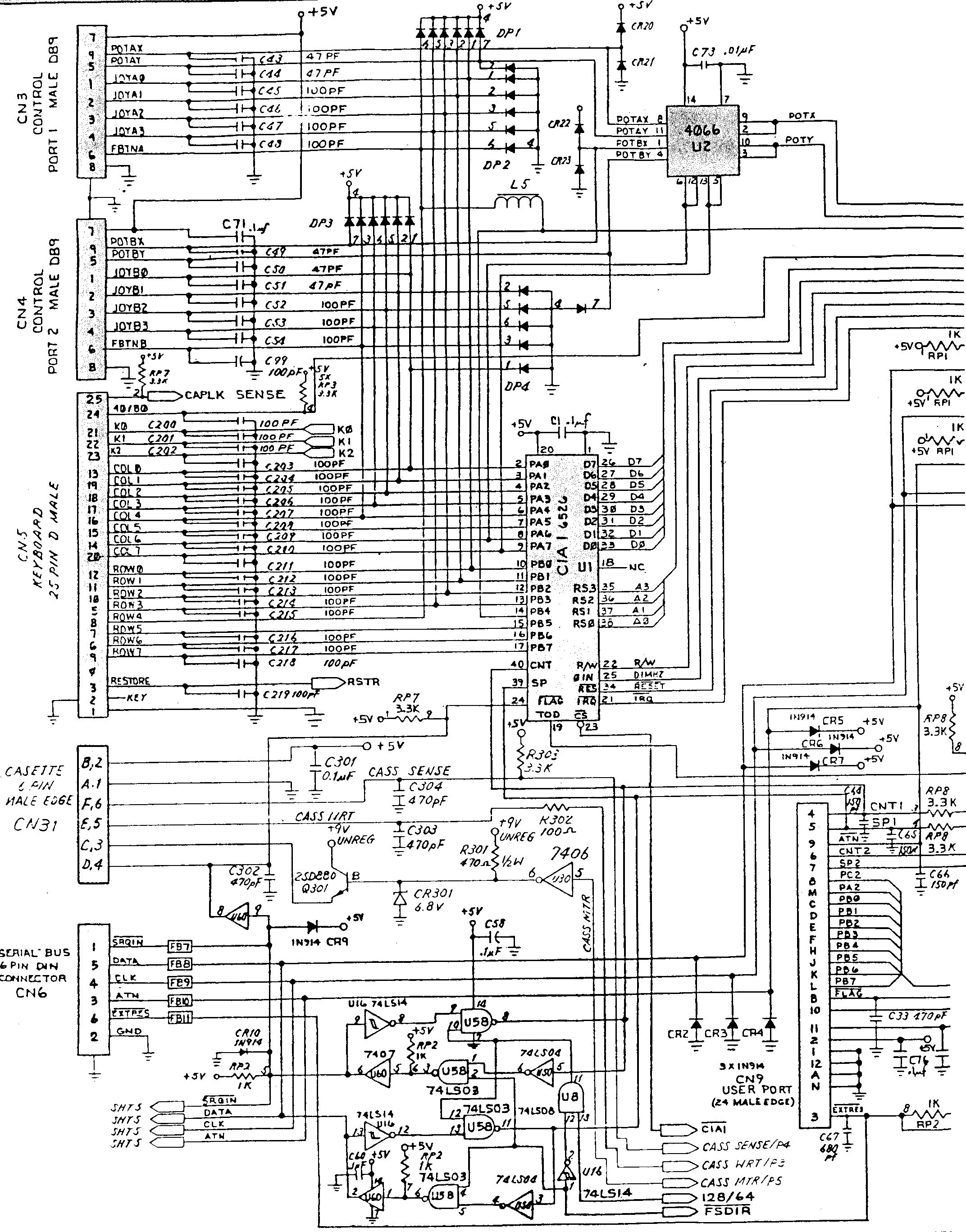
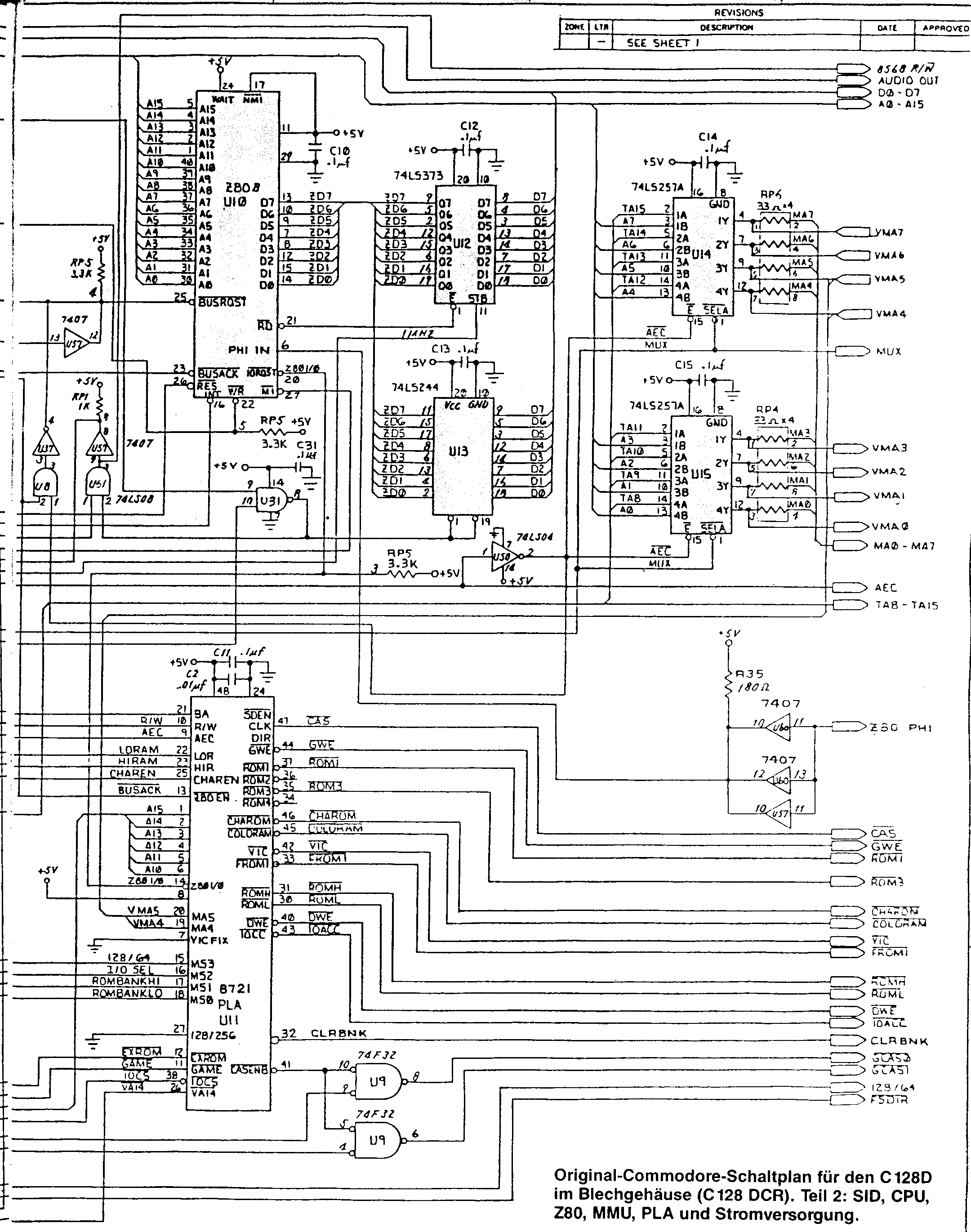
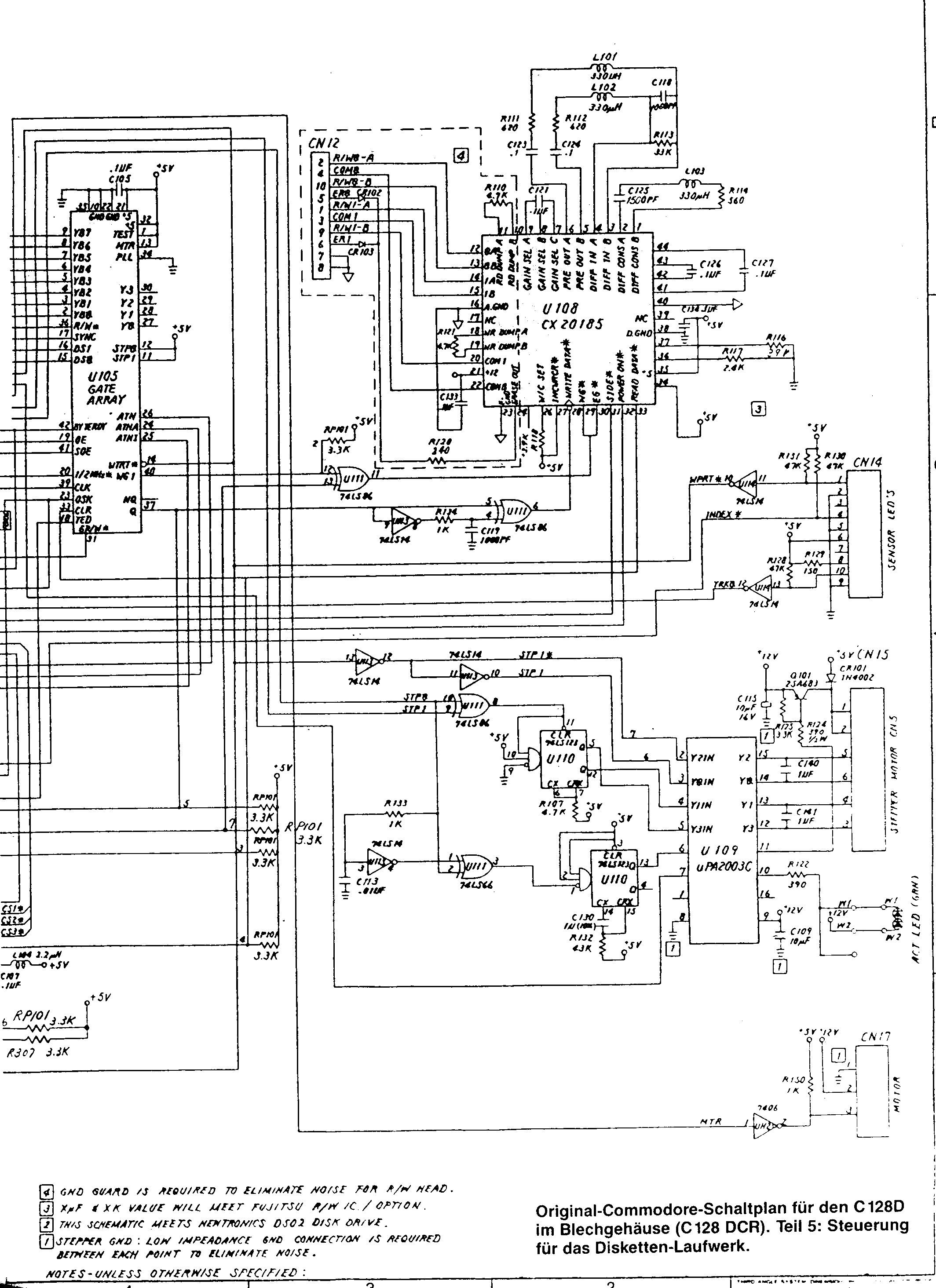
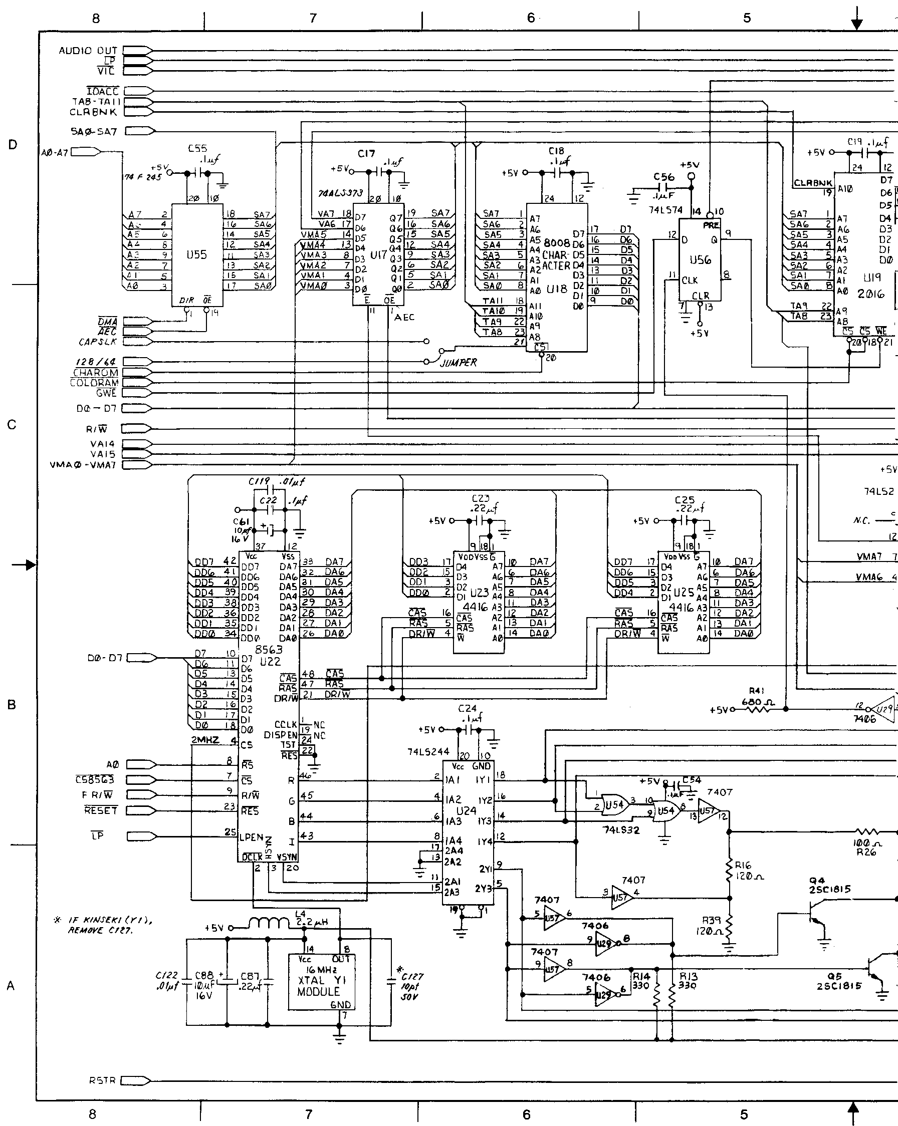
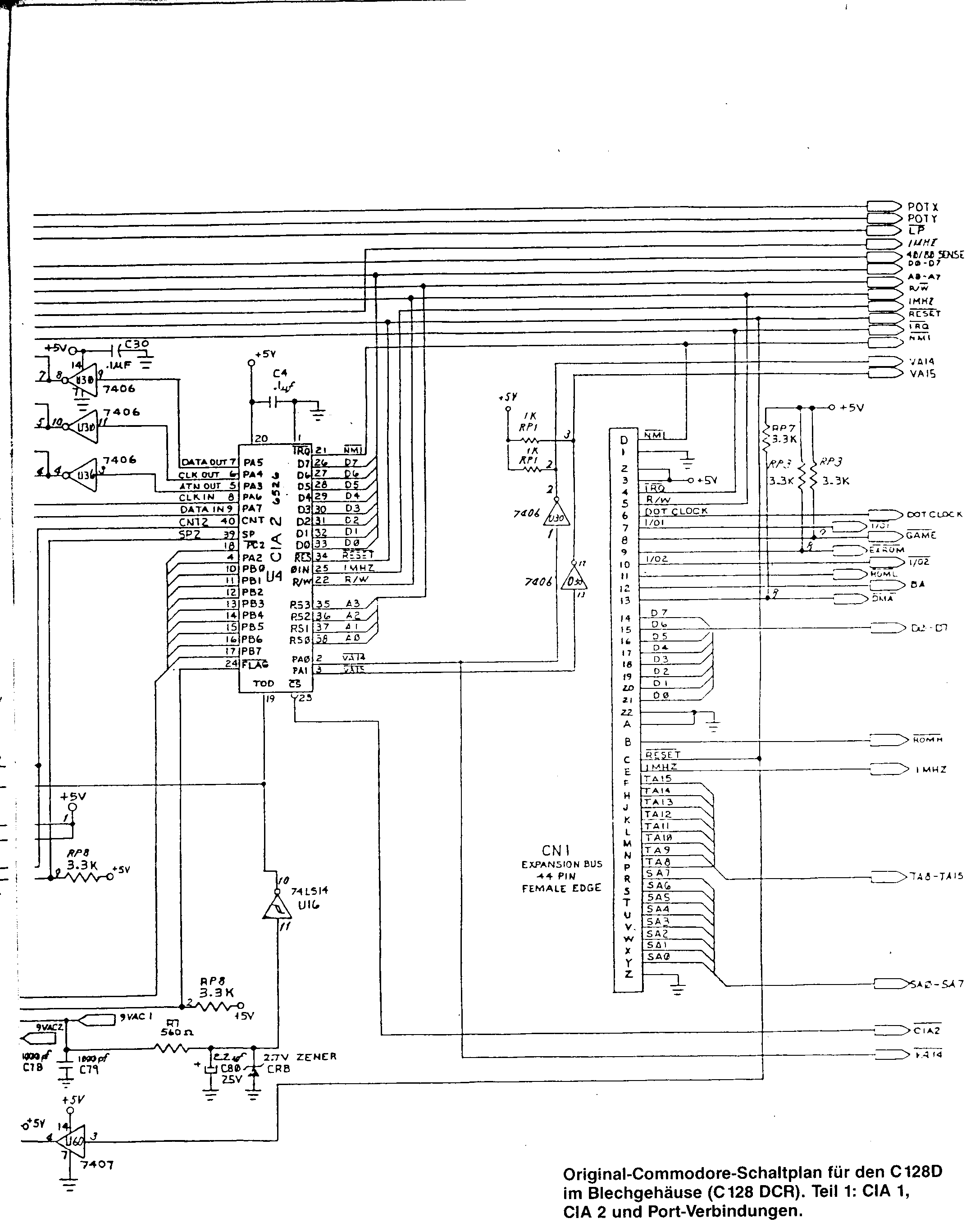
These are the schematic diagrams of the Commodore 128DCR main board (metal case C128D with built-in 1571CR floppy controller). The diagrams were scanned from a 64'er Sonderheft, and they appear to be a copy of schematic 252451.
According to Nicolas Welte, there is an error on the right half of page 5. The 74LS14 hex Schmitt-trigger inverter U113, pin 13 is connected to WPRT* (misprinted WTRT* on U105), which doesn't make any sense. Obviously it should be connected to STP1 instead, which is three lines more to the right!

The Commodore brandname and the chickenhead logo are property of Commodore International Corp.