This is from a copy of the manual. The original had a number of double fold-out sheets that had no apparent need for this format, so I made them two separate pages when I coppied them. I have done the same thing here but have numbered the pages "l"(left) and "r"(right) to preserve the original pagination.

Files

contents.gif 1998-04-03 74641
Table of contents
page-1.gif 1998-04-03 77171
2031 Disk Drive Product Specification.
page-10.gif 1998-04-03 83853
2031 HP Upgrade Notes
page-11l.gif 1998-04-03 130326
2031 HP Circuit Theory
page-11r.gif 1998-04-03 120334
2031 schematic diagram #2031038, sheet 1 of 4
page-12l.gif 1998-04-03 108585
2031 HP Circuit Theory
page-12r.gif 1998-04-03 93812
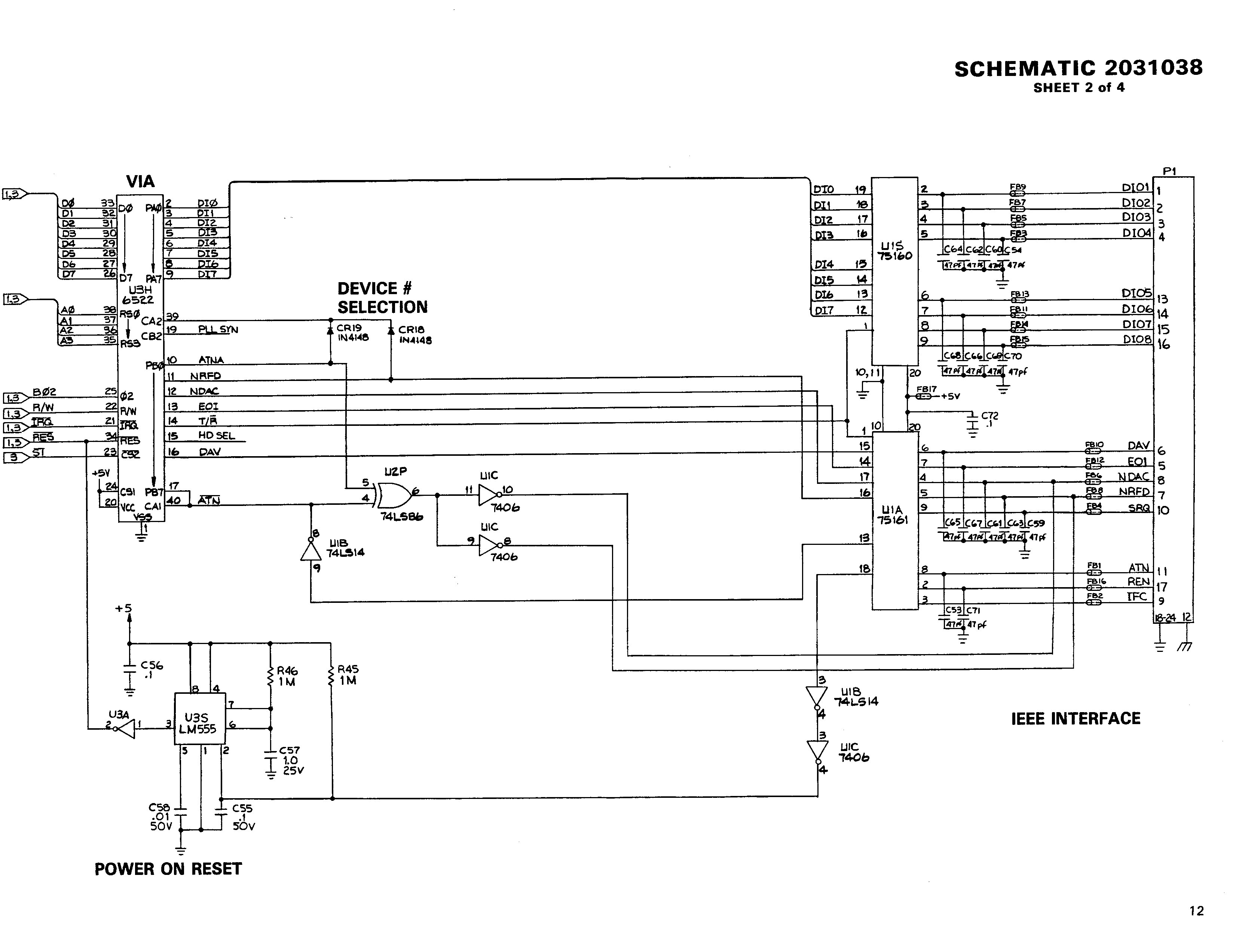
2031 schematic diagram #2031038, sheet 2 of 4
page-13l.gif 1998-04-03 109864
2031 HP Circuit Theory
page-13r.gif 1998-04-03 132455
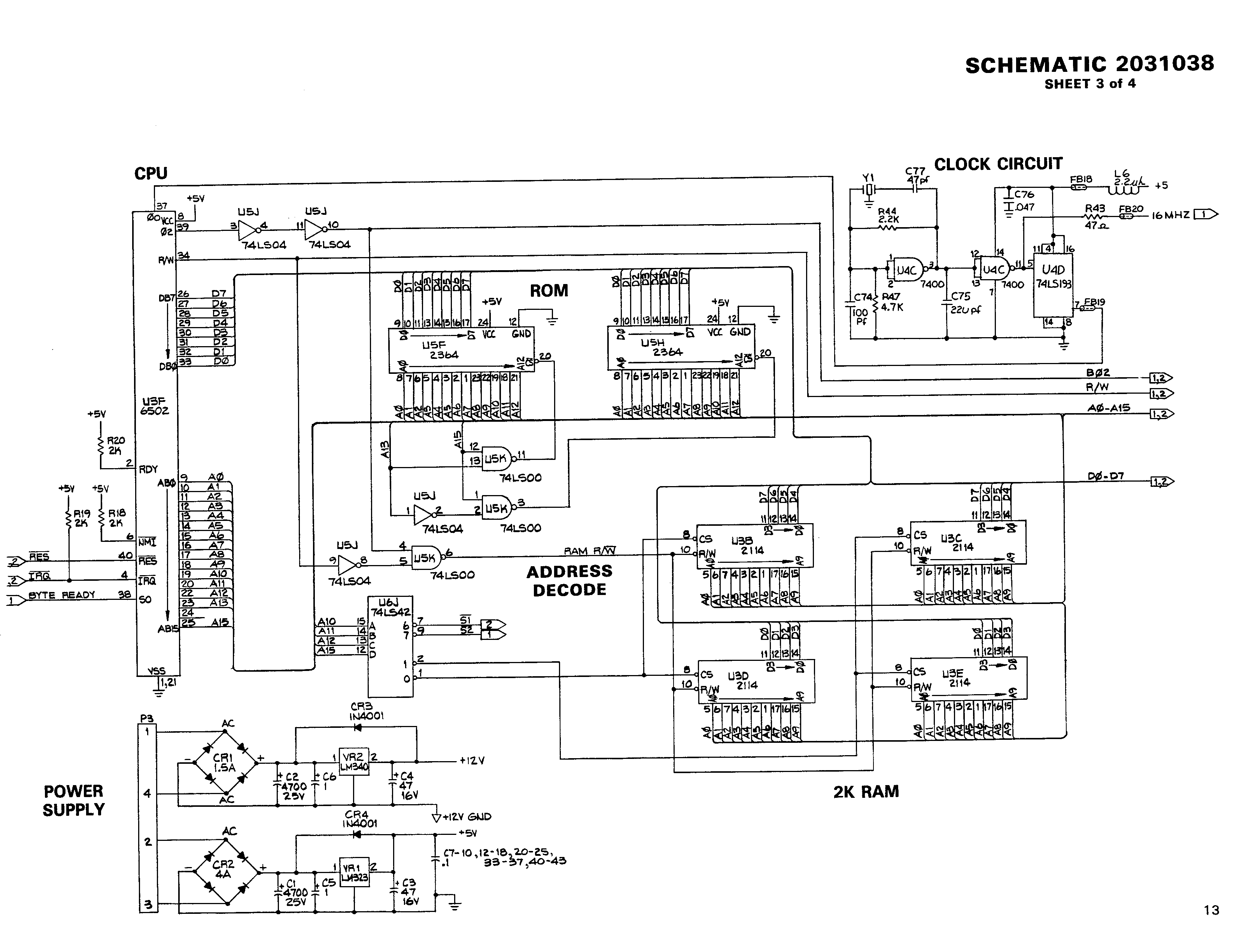
2031 schematic diagram #2031038, sheet 3 of 4
page-14l.gif 1998-04-03 160866
2031 HP Circuit Theory
page-14r.gif 1998-04-03 133528
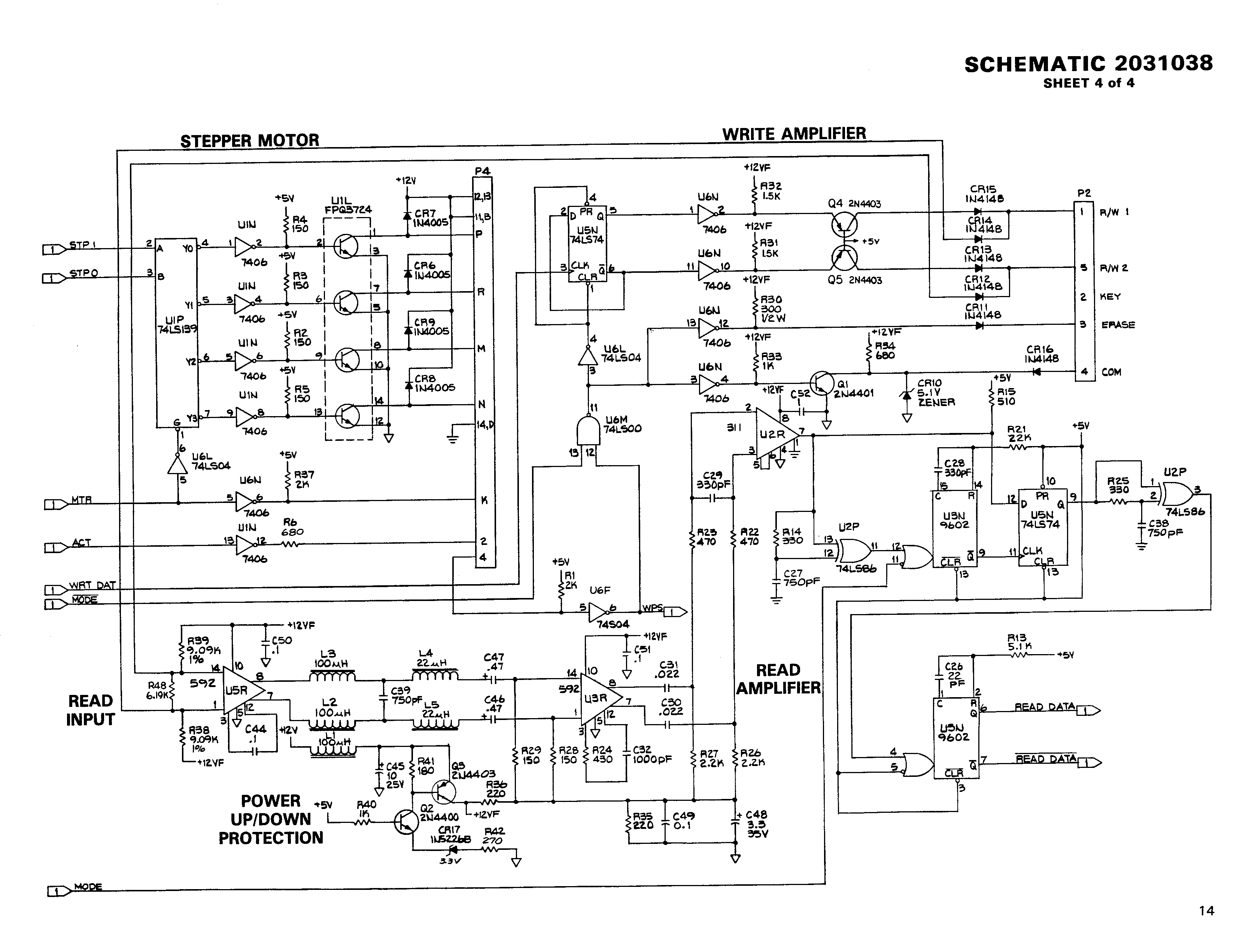
2031 schematic diagram #2031038, sheet 4 of 4
page-15l.gif 1998-04-03 25646
 
page-15r.gif 1998-04-03 95762
2031 HP Power Supp;y
page-16l.gif 1998-04-03 59704
Parts List 95055000 Shugart Drive Assembly
page-16r.gif 1998-04-03 111227
Shugart Drive Assembly 2031HP/2040/4040
page-17.gif 1998-04-03 75793
Resistance Checks High Profile - Shugart Drive
page-18l.gif 1998-04-03 55405
Parts list shugart board
page-18r.gif 1998-04-03 88332
Shugart Servo Board (Commodore part #31414701)
page-19.gif 1998-04-03 125926
 
page-2.gif 1998-04-03 80438
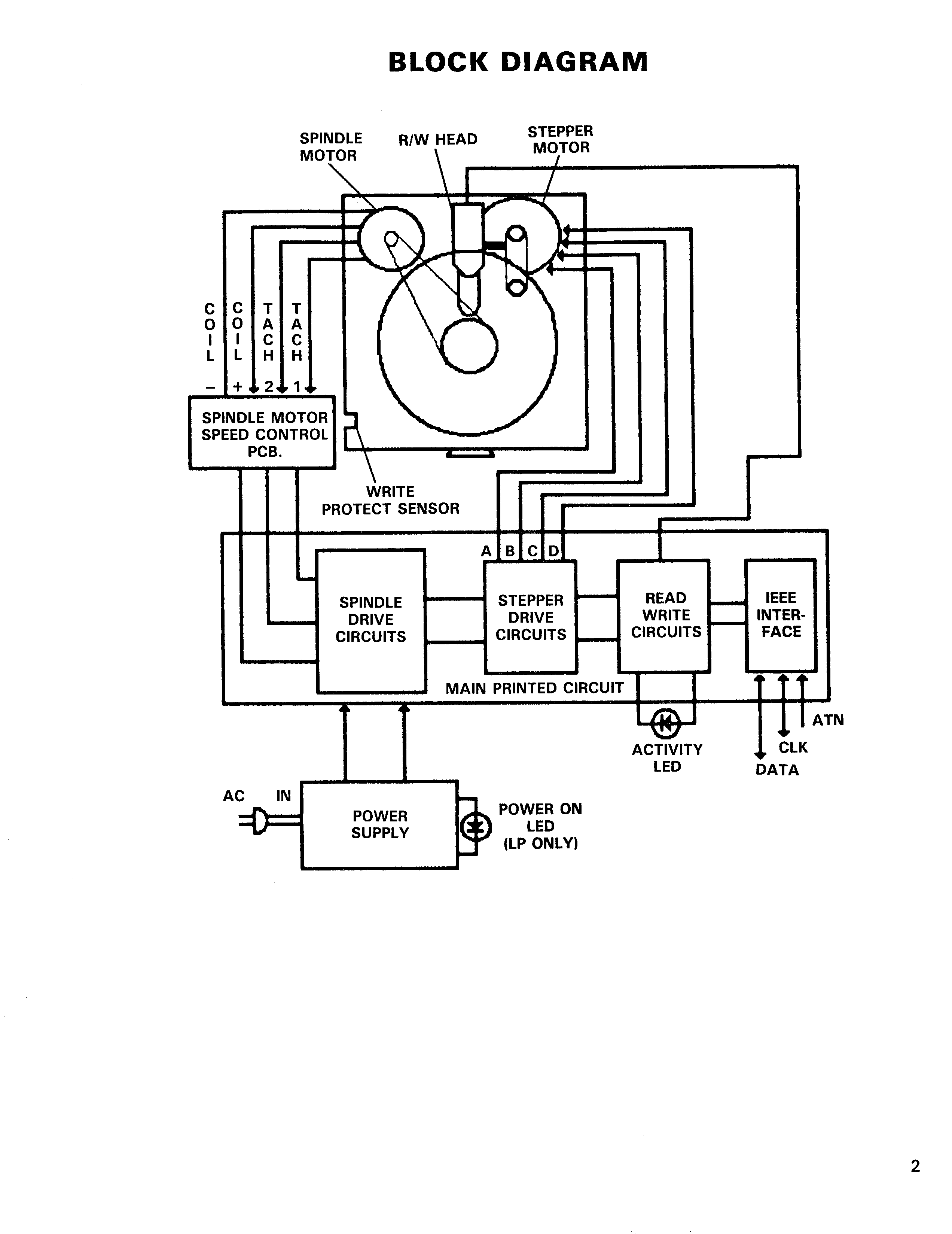
Block Diagram
page-20.gif 1998-04-03 81948
 
page-21.gif 1998-04-03 109240
 
page-22.gif 1998-04-03 146454
 
page-23.gif 1998-04-03 119670
 
page-24.gif 1998-04-03 81037
 
page-25.gif 1998-04-03 79595
 
page-26.gif 1998-04-03 70674
 
page-27.gif 1998-04-03 87687
 
page-28.gif 1998-04-03 108674
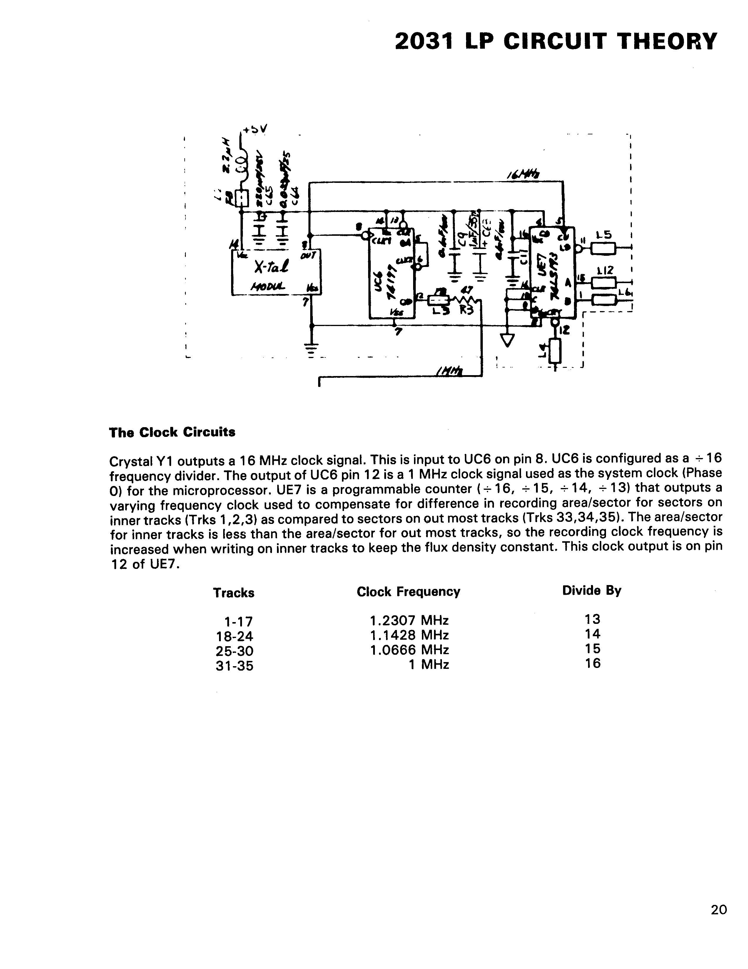
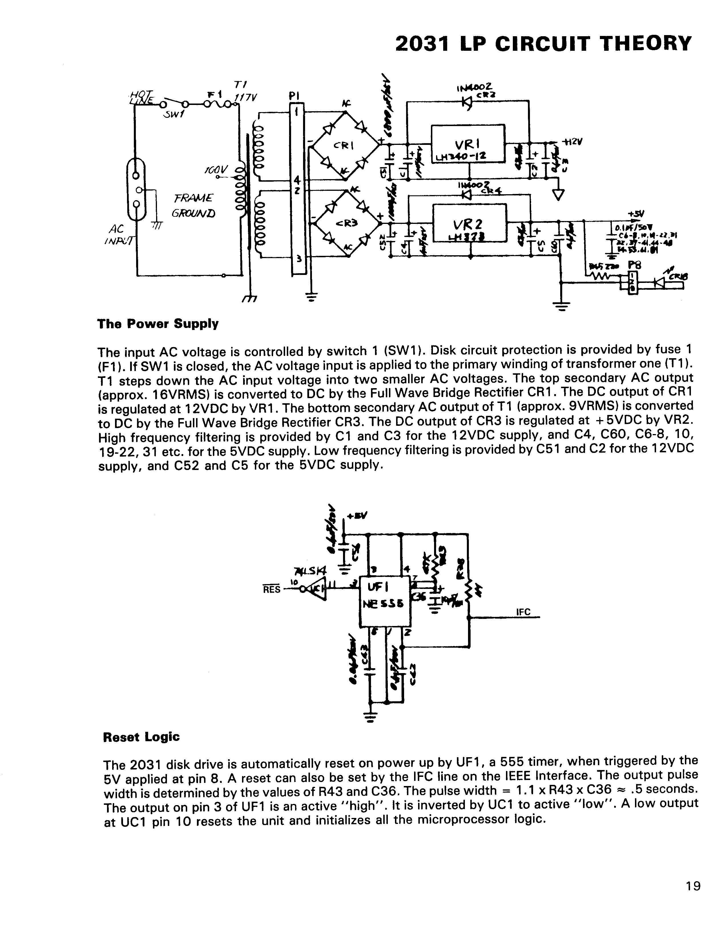
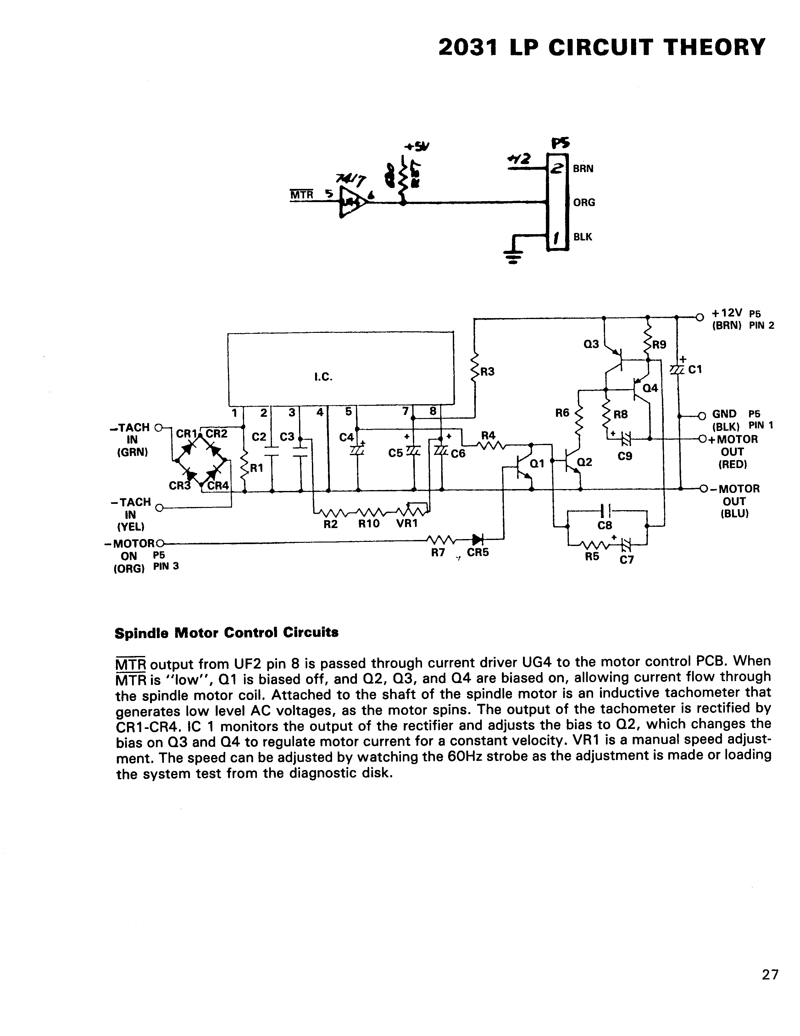
2031 LP Circuit Theory
page-29.gif 1998-04-03 177478
Parts List PCB Assembly #1540033
page-3.gif 1998-04-03 104058
Care and Maintenance
Device Number Change
page-30l.gif 1998-04-03 97500
PCB Assembly #1540033 Board Layout
page-30r.gif 1998-04-03 218578
Schematic 1540039
page-31l.gif 1998-04-03 26677
 
page-31r.gif 1998-04-03 91385
1540/41/2031 LP Power Supply (also similar to the SFD-1001)
page-32.gif 1998-04-03 49249
Resistance Checks Low Profile - Alps Drive
page-33l.gif 1998-04-03 71156
Parts List Alps Drive
page-33r.gif 1998-04-03 94634
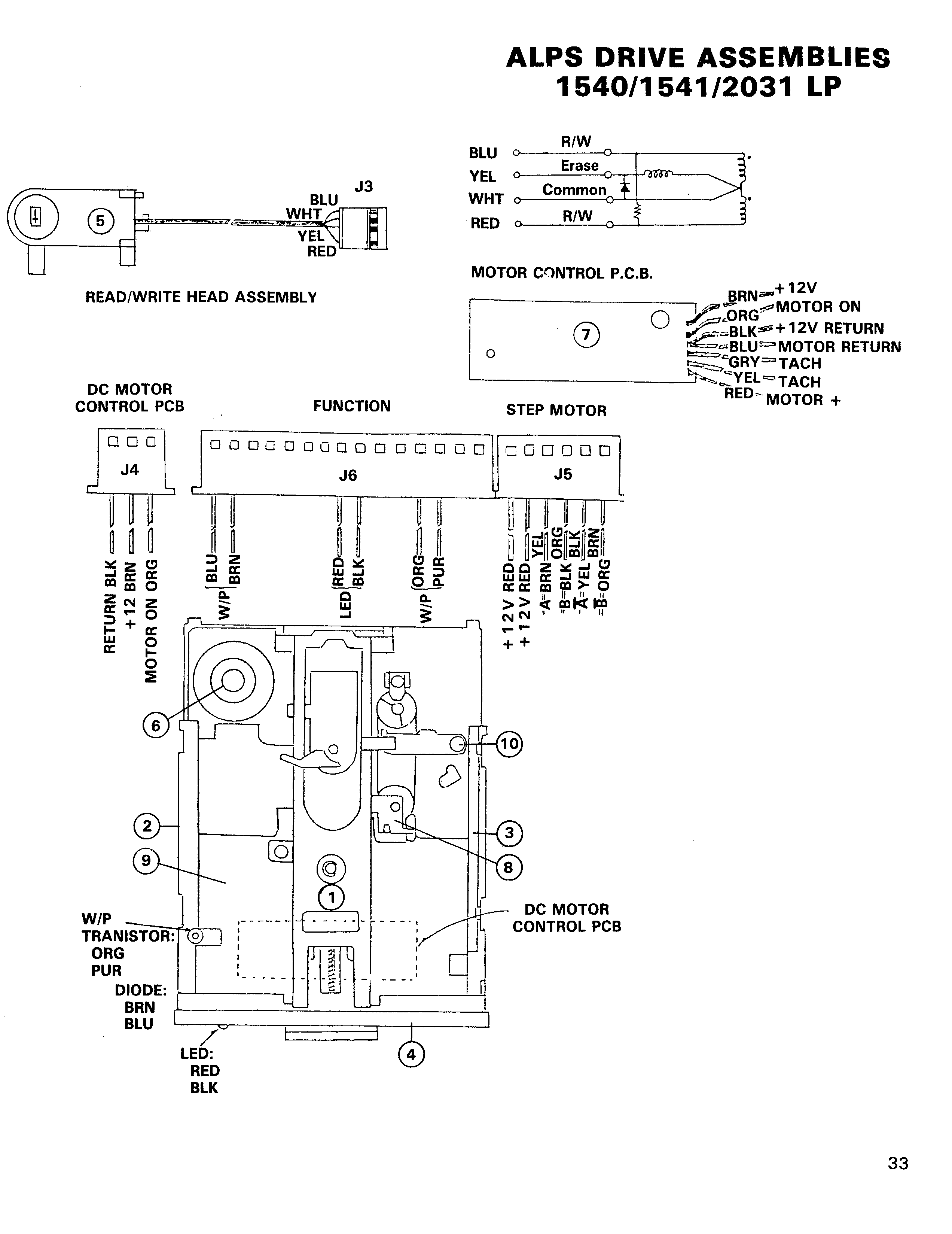
Alps Drive Assemblies 1540/41/2031 LP
page-34.gif 1998-04-03 81519
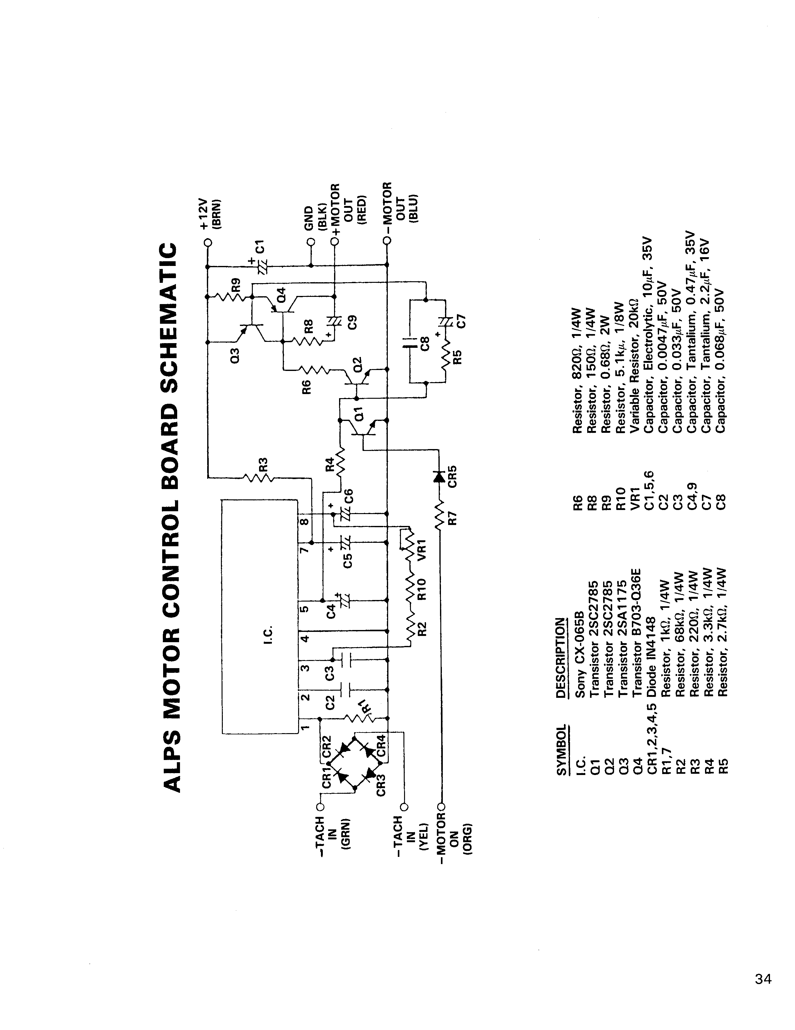
Alps Motor Control Board Schematic
page-4.gif 1998-04-03 129200
Overview
Flash Code
page-5.gif 1998-04-03 58997
Casework/Accessory Parts List
page-6.gif 1998-04-03 109155
 
page-7.gif 1998-04-03 66001
Troubleshooting Guide
page-8.gif 1998-04-03 109570
PCB Assembly #2031040 Board Layout
page-9.gif 1998-04-03 180541
Parts List PCB Assembly #2031040-01
page-title.gif 1998-04-03 64307
Title page. Service Manual, 2031 Disk Drive, High and Low Profile, Dec. 1985 PN-314011-01.
parts.txt 1999-12-02 535
2031 parts list, composed by William Levak.

The Commodore brandname and the chickenhead logo are property of Commodore International Corp.