Service Manual Model 1540/1541 Disk Drive ....
Suche
Index
FAQ
Kontakt
Zurück

zipped Download Service Manual Model 1540/1541 Disk Drive PN-314002-01



Service Manual Model 1540/1541 Disk DriveNovember 1985 PN-314002-01


Contents




Title (COVER)Page
SPECIFICATIONS1
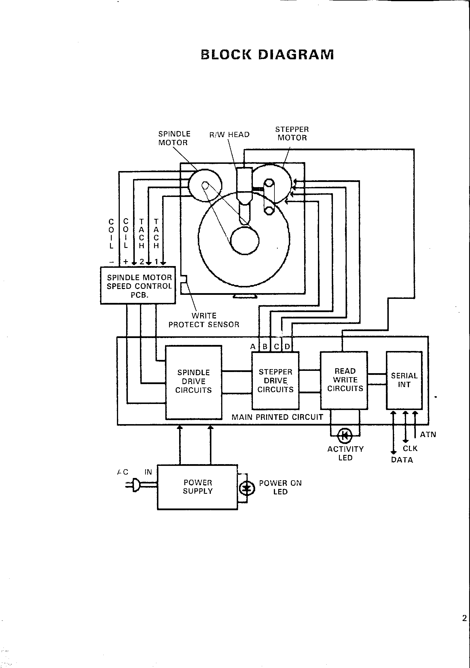
BLOCK DIAGRAM2
OVERVIEW3
CARE AND MAINTENANCE, FLASH CODE4
CIRCUIT THEORY
   POWER SUPPLY5
   RESET CIRCUITS6
   CLOCK CIRCUITS7
   MICROPROCESSOR CONTROL OF RAM & ROM8
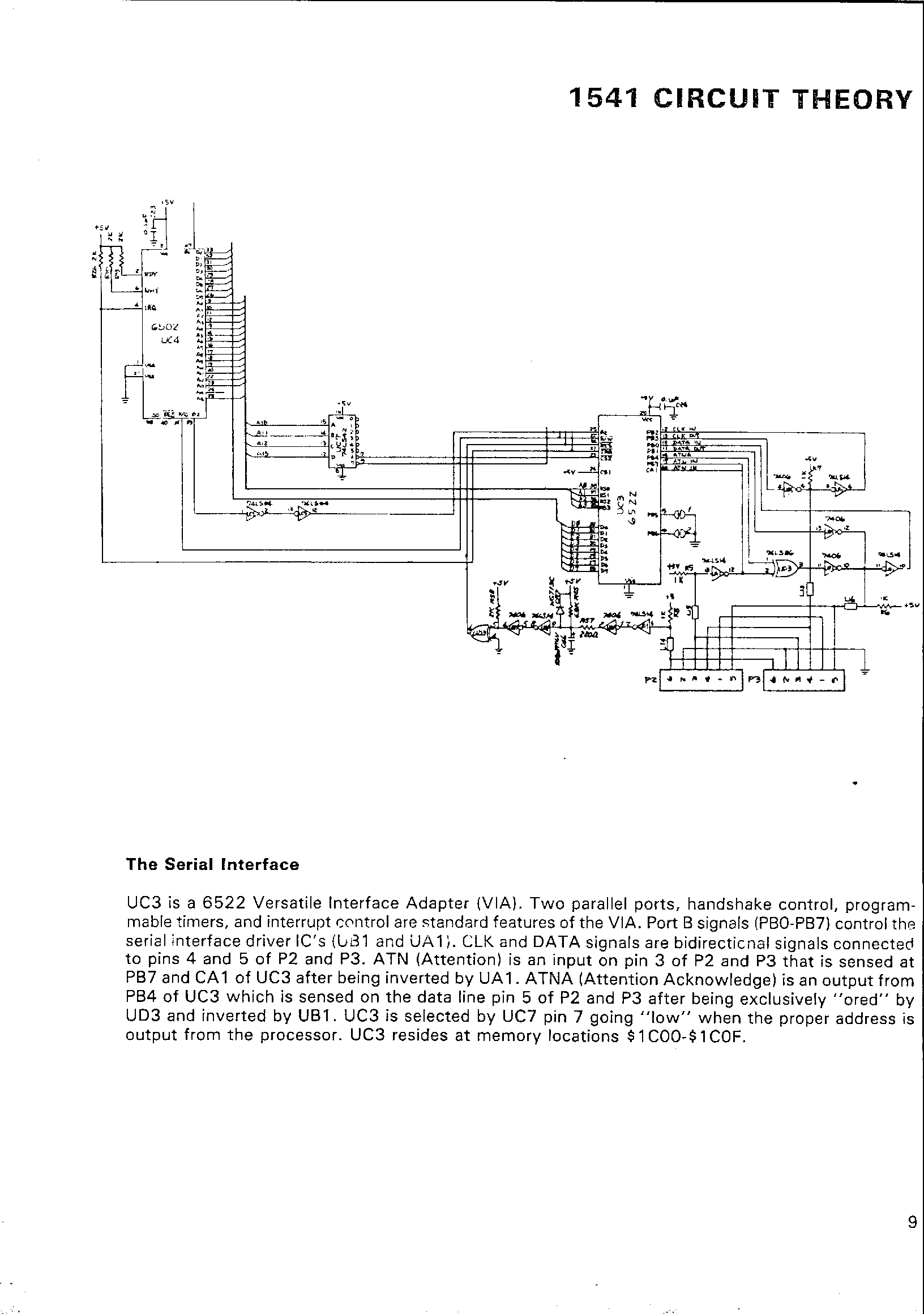
   SERIAL INTERFACE9
   MICROPROCESSOR R/W AND MOTOR CONTROL LOGIC10
   READ/WRITE CONTROL LOGIC11
   READ AMPLIFIER12
   WRITE AMPLIFIER13
   POWER UP/DOWN WRITE PROTECTION14
   STEPPER MOTOR CONTROL CIRCUITS15
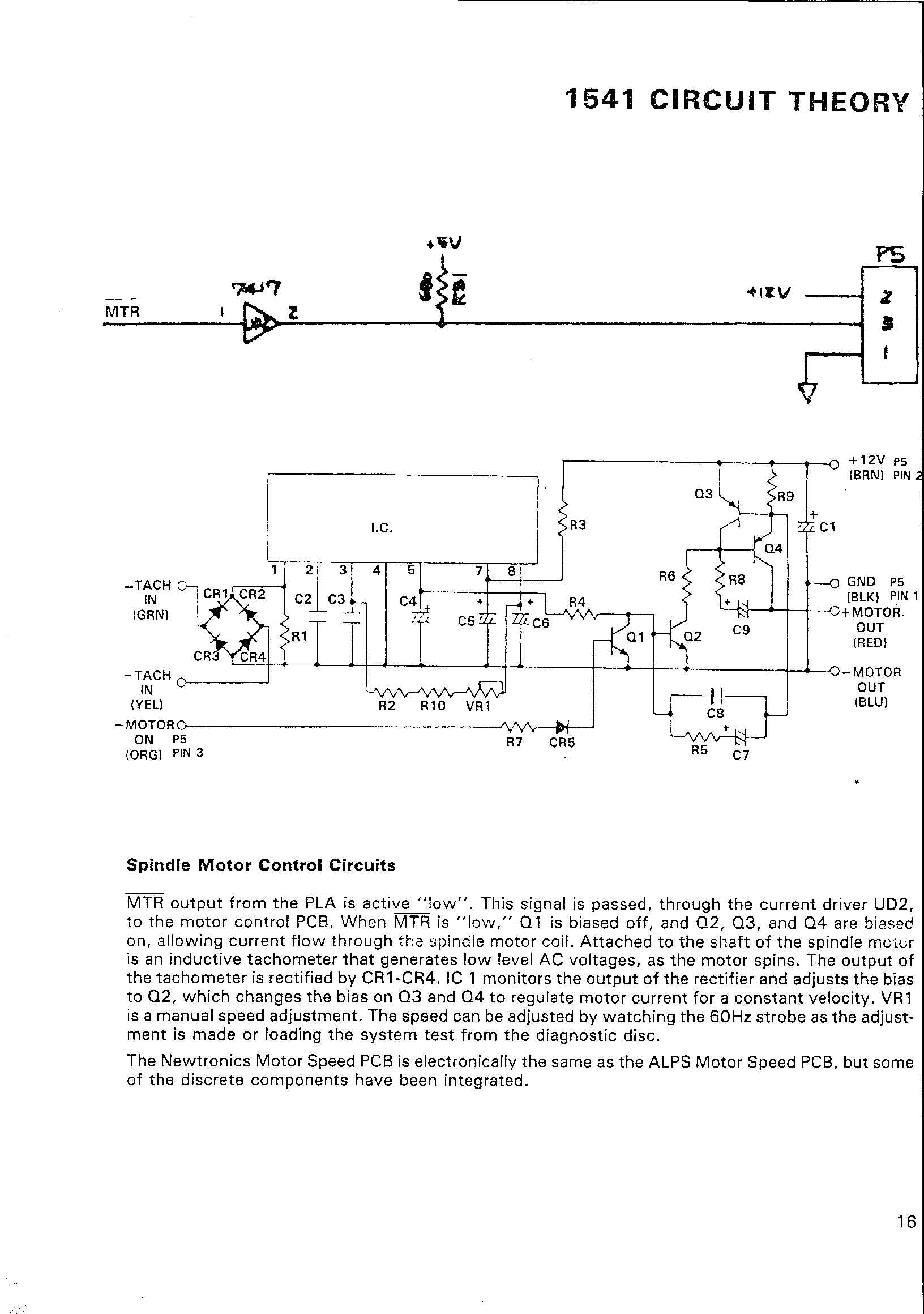
   SPINDLE MOTOR CONTROL CIRCUITS16
   TROUBLESHOOTING GUIDE17
   TROUBLESHOOTING GUIDE (Continued)18
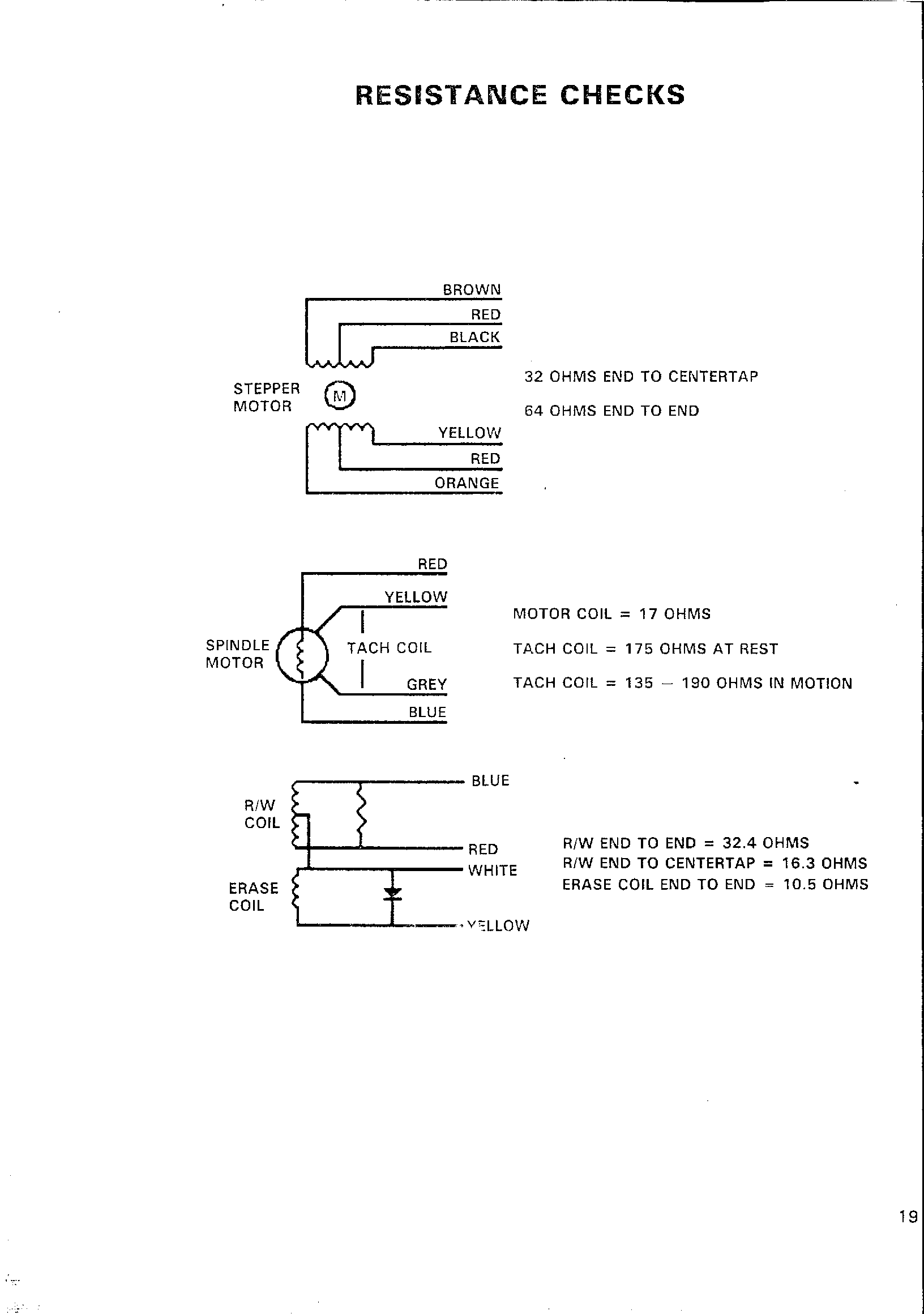
   RESISTANCE CHECKS19
   CASEWORK/ACCESSORY PARTS LIST20
   MODEL IDENTIFICATION, DEVICE NUMBER CHANGE21
PCB ASSEMBLY 1540001
   BOARD LAYOUT22
   PARTS LIST23
   PARTS LIST (continued)24
   PN 325572 Pinout and Internal Diagram25
   SCHEMATIC25
PCB ASSEMBLY 1540008
   BOARD LAYOUT26
   PARTS LIST27
   UPGRADE NOTES29
   SCHEMATIC29
PCB ASSEMBLY 250442, 250446
   BOARD LAYOUT30
   PARTS LIST31
   IC PINOUTS AND INTERNAL DIAGRAMS33
   SCHEMATICS (1541-1B)33B
   PARTLIST PCB 25044833A
   SCHEMATIC #25174833C
PCB ASSEMBLY 1540002
   PARTS LIST, TRANSFORMER, ASSEMBLY DRAWING34
ALPS DRIVE ASSEMBLY
   PARTS LIST, WIRING DIAGRAM AND LAYOUT35
   MOTOR CONTROL PCB SCHEMATIC36
NEWTRONICS DRIVE ASSEMBLY
   PARTS LIST, WIRING DIAGRAM AND LAYOUT37
   MOTOR CONTROL PCB SCHEMATIC38

 

Letzte Änderung: 2019-01-04 12:59:00
Rubriken-Übersicht
 20 Besucher online 

Valid XHTML 1.0 Transitional Valid CSS!