
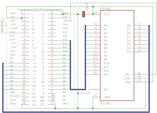
PIN SIGNAL Verwendung PIN SIGNAL Verwendung 1 GND Masse A GND Masse 2 +5V Versorgung B C1_Low Cartridge 1 Low(-Bank) 3 +5V Versorgung C _RESET /RESET 4 _IRQ Interrupt Request D RAS Row Address Signal 5 C-R/W_ Read/Write 1/0 E PHI2 Systemtakt 6 C1_High Cartridge 1 High(-Bank) F A15 Adressleitung 7 C2_Low Cartridge 2 Low(-Bank) H A14 Adressleitung 8 C2_High Cartridge 2 High(-Bank) J A13 Adressleitung 9 CS1_ Chip Select 1 (internes Banking) K A12 Adressleitung 10 CS2_ Chip Select 2 (internes Banking) L A11 Adressleitung 11 CAS Column Address Signal M A10 Adressleitung 12 MUX Address Multiplexing N A9 Adressleitung 13 BA Bus available (CPU=1) P A8 Adressleitung 14 CD7 Datenbit 7 R A7 Adressleitung 15 CD6 Datenbit 6 S A6 Adressleitung 16 CD5 Datenbit 5 T A5 Adressleitung 17 CD4 Datenbit 4 U A4 Adressleitung 18 CD3 Datenbit 3 V A3 Adressleitung 19 CD2 Datenbit 2 W A2 Adressleitung 20 CD1 Datenbit 1 X A1 Adressleitung 21 CD0 Datenbit 0 Y A0 Adressleitung 22 AEC Address Enable Control Z NC Nicht verwendet 23 EXAUD Extern Audio AA NC Nicht verwendet 24 PHI2 Systemtakt BB NC Nicht verwendet 25 GND Masse CC GND Masse


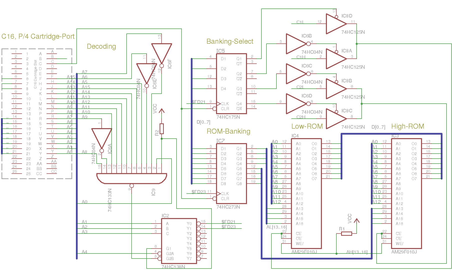
LO ROM and HI ROM are determined by writing to the appropriate ROM LATCH address. BANK ROM LATCH LO ROM HI ROM $00 FDD0 BASIC KERNAL $01 FDD1 (FUNCTION LO) KERNAL $02 FDD2 CARTRIDGE 1 LO KERNAL $03 FDD3 CARTRIDGE 2 LO KERNAL $04 FDD4 BASIC (FUNCTION HI) $05 FDD5 (FUNCTION LO) (FUNCTION HI) $06 FDD6 CARTRIDGE 1 LO (FUNCTION HI) $07 FDD7 CARTRIDGE 2 LO (FUNCTION HI) $08 FDD8 BASIC CARTRIDGE 1 HI $09 FDD9 (FUNCTION LO) CARTRIDGE 1 HI $0a FDDA CARTRIDGE 1 LO CARTRIDGE 1 HI $0b FDDB CARTRIDGE 2 LO CARTRIDGE 1 HI $0c FDDC BASIC CARTRIDGE 2 HI $0d FDDD (FUNCTION LO) CARTRIDGE 2 HI $0e FDDE CARTRIDGE 1 LO CARTRIDGE 2 HI $0f FDDF CARTRIDGE 2 LO CARTRIDGE 2 HI ( ) NOT AVAILABLE ON THE C16
ldx $bank ; siehe Tabelle sta $ffd0,x stx $fb rts
; *********************************************
;
; Check for ROM's.
; Here we search for the ROM sig (cbm) at $8007
;
; *********************************************
LFC1E LDX #$03
STX $96
LDA #$00
LFC24 STA $05EC,x
DEX
BPL LFC24
LFC2A LDX $96
LDA $FC7B,x
TAX
STA $FDD0,x
LDY #$02
LFC35 LDA $8007,y
CMP $FC56,y
BNE LFC51
DEY
BPL LFC35
LDA $8006
LDX $96
STA $05EC,x
CMP #$01
BNE LFC51
STX $FB
JSR L8000
LFC51 DEC $96
BPL LFC2A
RTS
db $43,$42,$4d ; ROM ID "cbm"
LDA #$09
STA $FD20
ORA #$80
STA $FD20

Letzte Änderung: 2019-01-03 11:08:27