VC 1551
Suche
Index
FAQ
Kontakt
Zurück

1551


VC 1551

Die schnelle schwarze Floppy mit dem parallelen Anschluss fuer die Commodore 264er Serie.



ROM-Listing
Plus/4 TCBM Low Level












Hardware
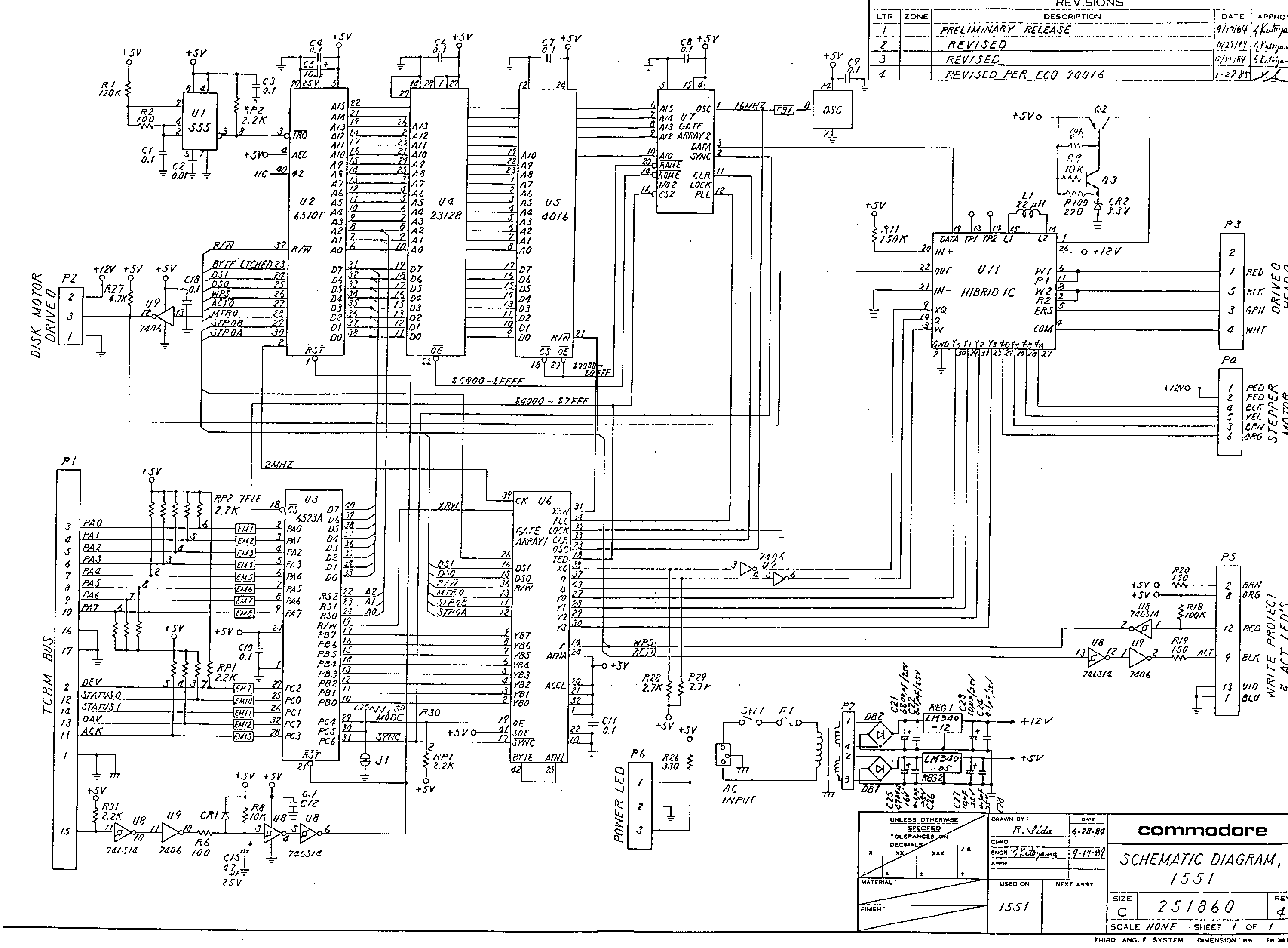
Link Description Size File
ASSY 251860Schematic Diagram 1551 135KBGIF
PaddleRepair of the 1551-Adapter. Rebuild the 6523T with TIA6525. Instruction
in german language. 
77KByteGIF

 

Letzte Änderung: 2022-04-16 17:33:27
Rubriken-Übersicht
 5 Besucher online 

Valid XHTML 1.0 Transitional Valid CSS!