Assy 310164 Plus/4 Service Manual
Suche
Index
FAQ
Kontakt
Zurück
PLUS 4 SCHEMATICS

 
 
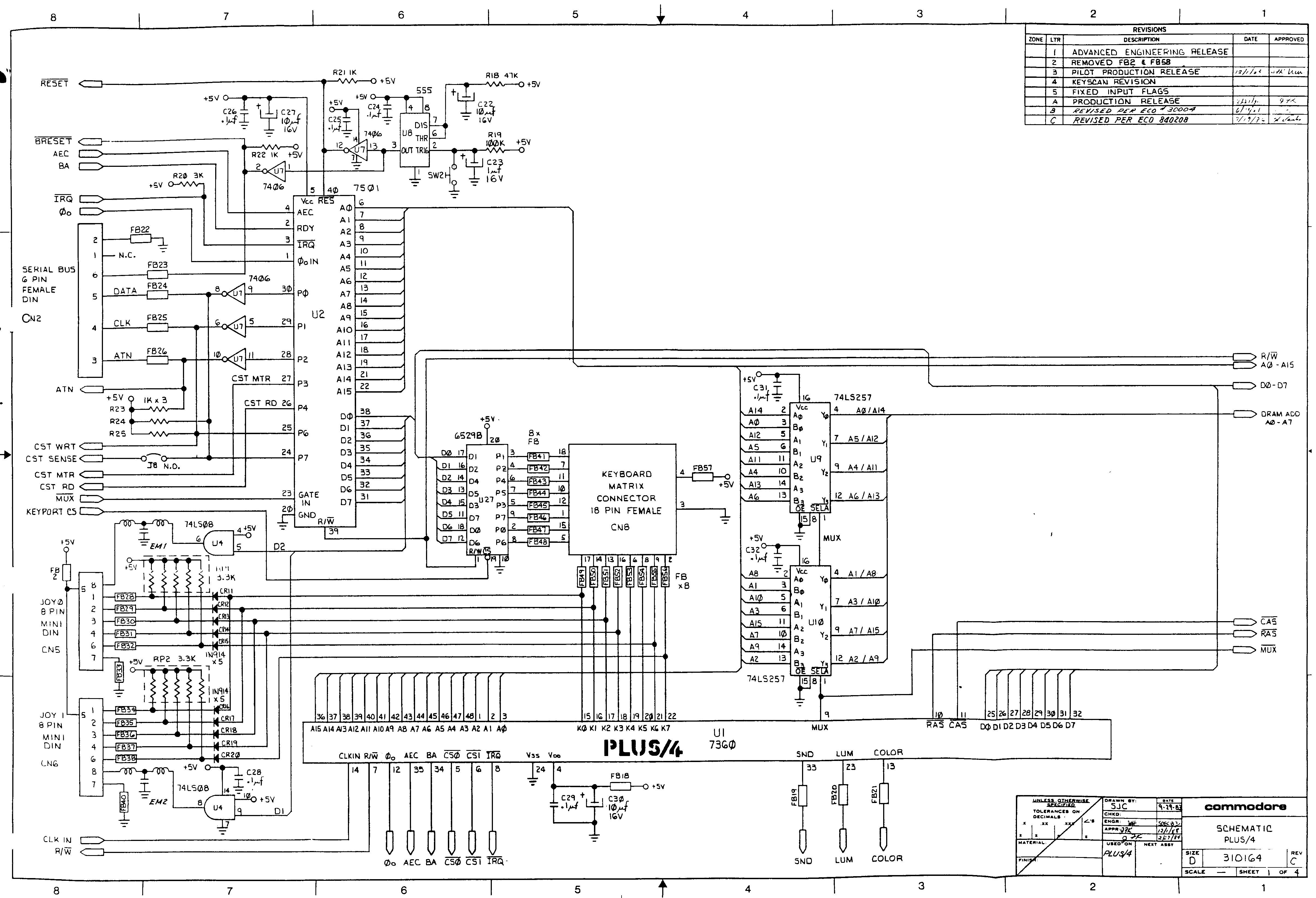
ASSY 310164 Sheet 1 of 4 [239 KB] CPU, Serial, Joyports, Keyboard
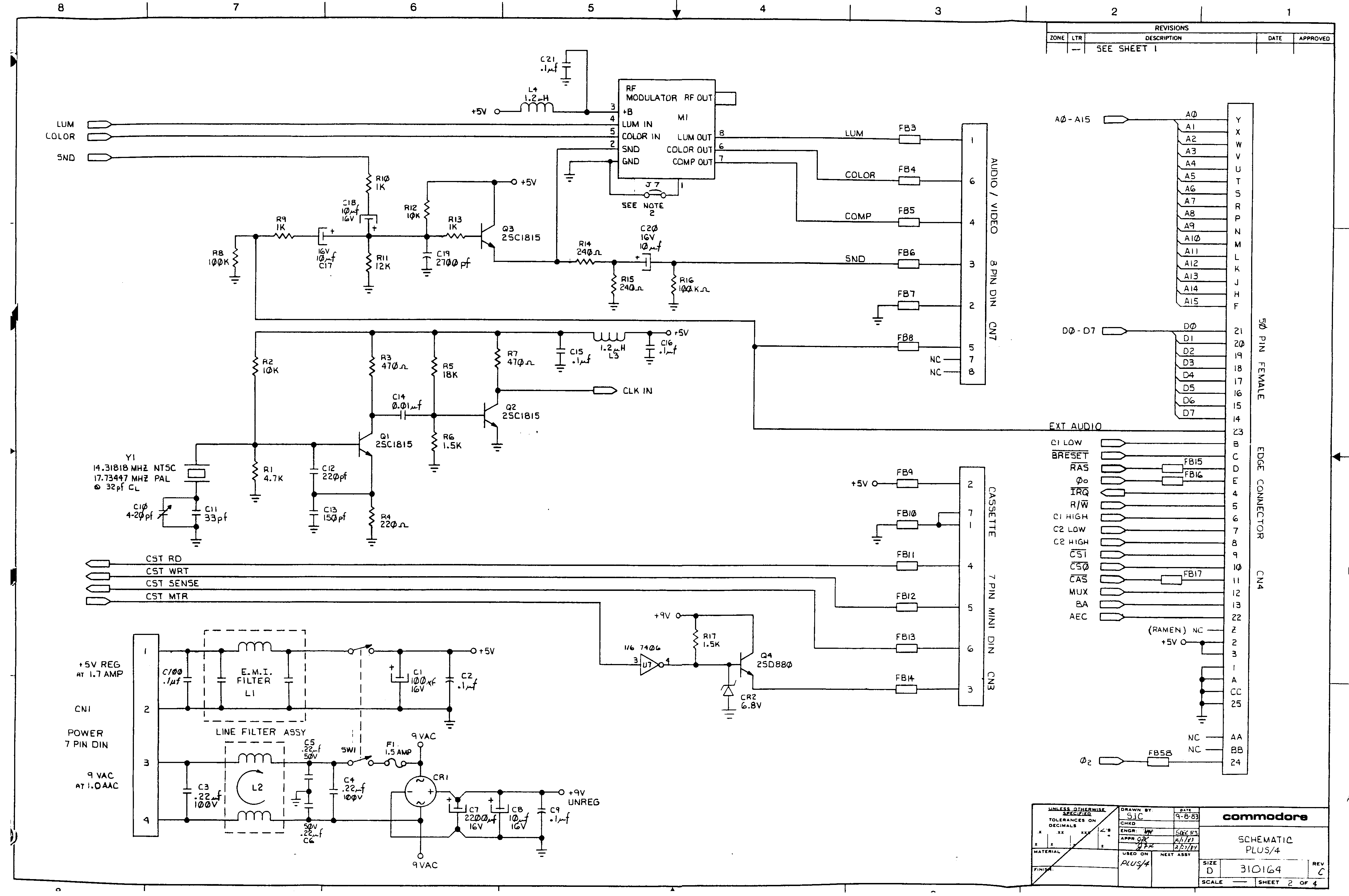
ASSY 310164 Sheet 2 of 4 [174KB] Netzteil, Modulator 
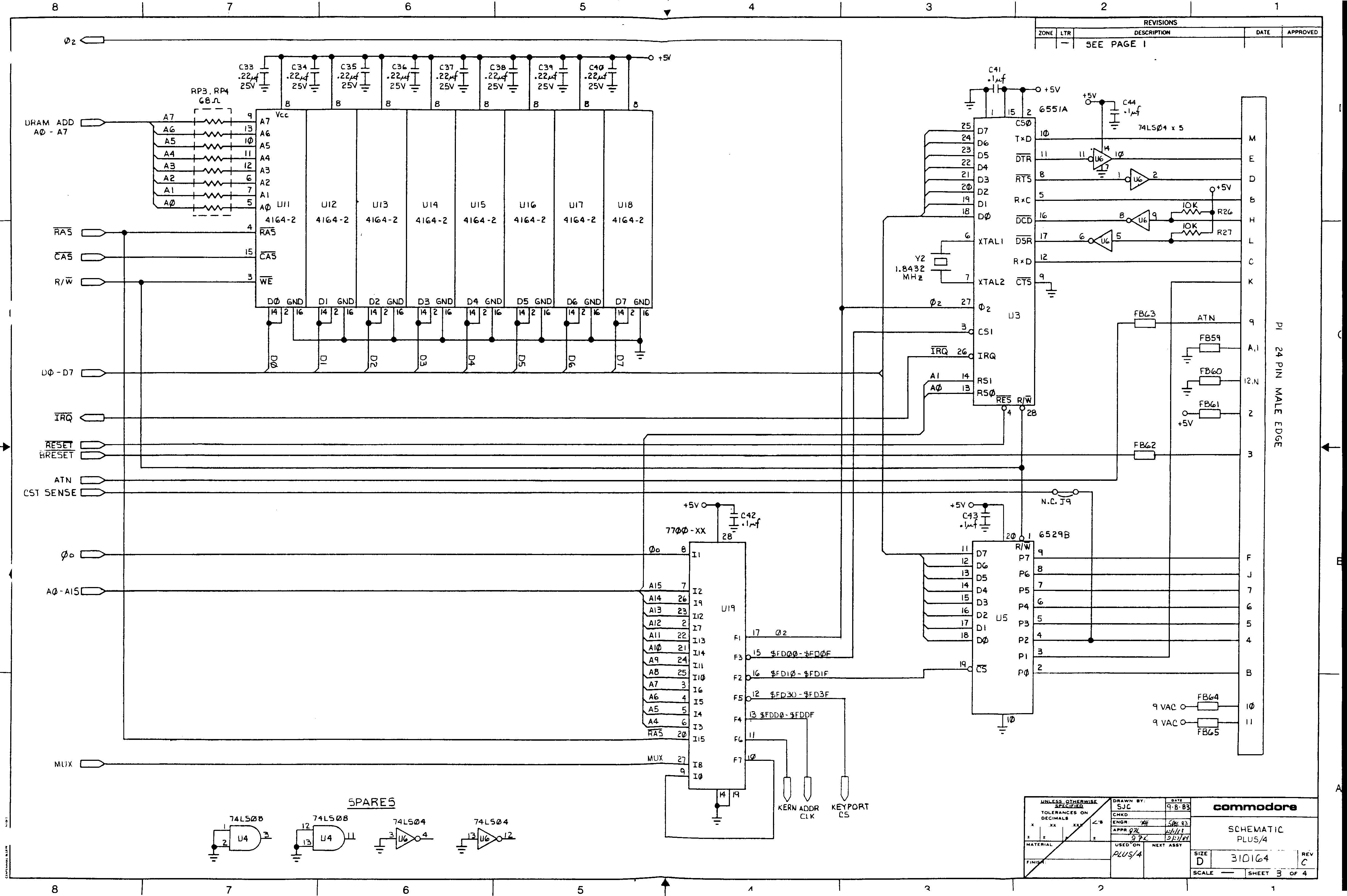
ASSY 310164 Sheet 3 of 4 [206KB] RAM
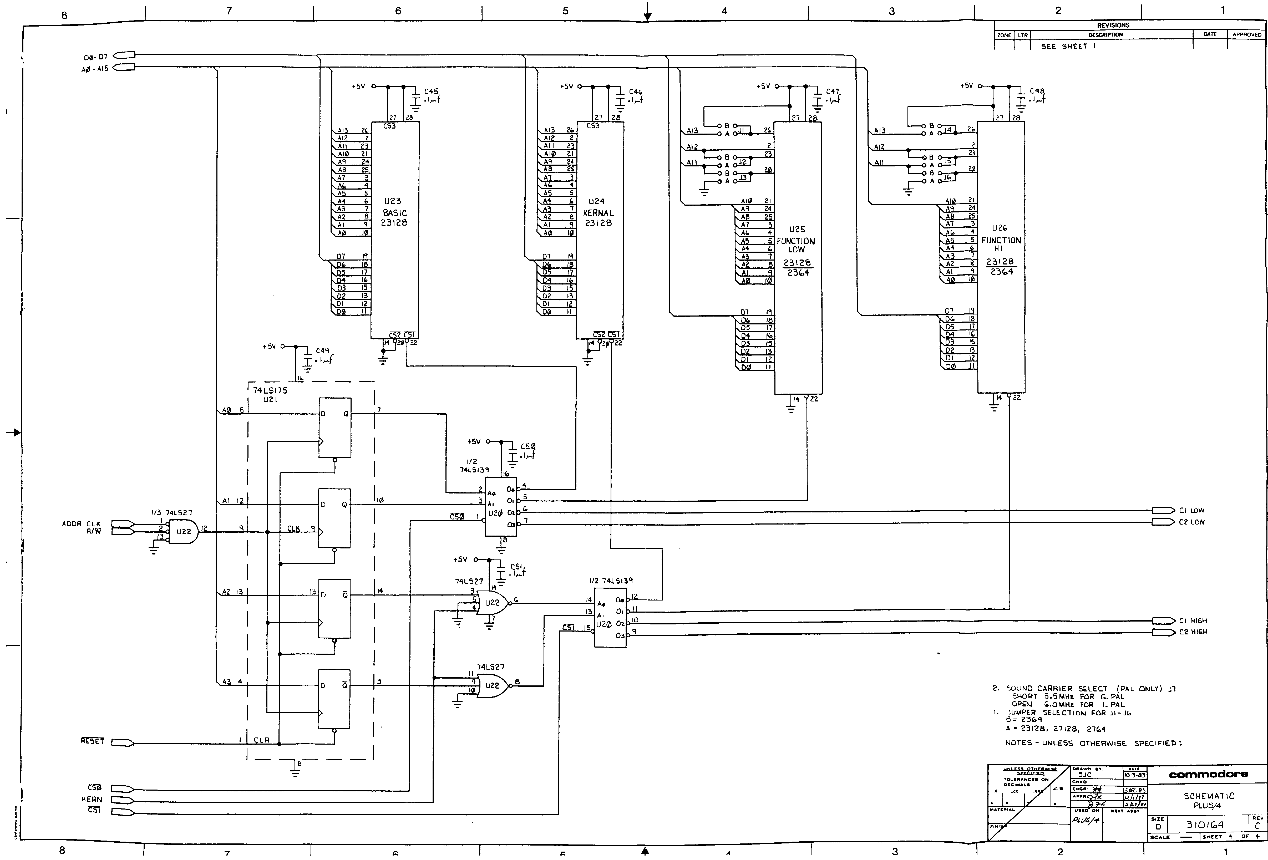
ASSY 310164 Sheet 4 of 4 [170KB] ROMs
Full Schematic [810,4KB] 4 GIF Schematics /PKZIP packed

 

Letzte Änderung: 2019-01-03 18:18:50
Rubriken-Übersicht
 16 Besucher online 

Valid XHTML 1.0 Transitional Valid CSS!